I was looking at how to get a sign wave from a 555 chip and found this article.
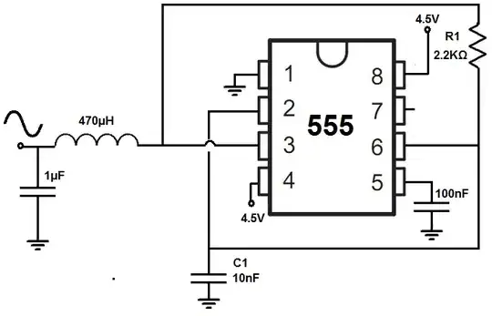
It seems to say it's using an astable 555 circuit outputting to an LC resonant circuit.
However, the circuit diagram does not match up with any astable 555 circuit I can find anywhere else, and although he has some examples of different value components for different outputs, it might be easier to work with a standard astable 555 circuit.
I found this question regarding alternate astable 555 circuit designs, but the design in the linked article is different again, it doesn't use the discharge pin (pin 7). Functional difference between various astable 555 circuits
Are there benefits to this alternate circuit for this use case? Would you be able to describe how this is functionally different, especially how the RC network he refers to comes into it. Would calculations for resistors and capacitors in other circuits work for this one? Finally, would the LC resonant circuit on the output, calculated for the correct frequency, work for any square wave source, including the standard 555 astable circuit?

