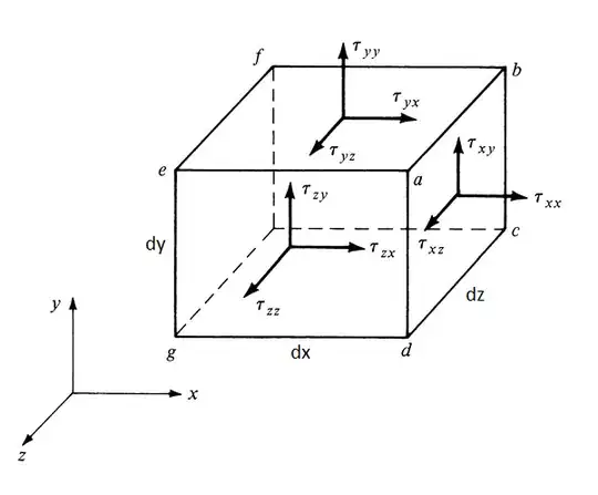
In solid bodies, $\tau_{xy}=\tau_{yx}$ makes sense to me because the volume elements "hold together" and can not spin against each other and therefore the resulting torque from the shear stresses has to be zero.
However, in fluids I imagine that the volume elements are able to spin against each other, and I was really surprised when I learned in my fluid mechanics lecture that $\tau_{xy}=\tau_{yx}$ holds for fluids too.
I realize that in this case a resulting torque would lead to an acceleration of the rotational speed of the volume elements, but I can't see anything which prevents that.
I unsuccessfully googled around a lot about this issue. I also asked my professor and several assistants, but neither of them was able to provide a satisfying explanation. Therefore I'm guessing my question doesn't really make sense in this way and/or is based on a very basic lack of understanding.
