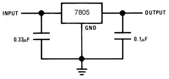
It says in the datasheet these values in this picture:

But I've also seen it with these values:

So what values should i use or doesn't it matter? And its for when its first starting.
It says in the datasheet these values in this picture:

But I've also seen it with these values:

So what values should i use or doesn't it matter? And its for when its first starting.
Build it with either; it will work fine for you. The second option with the large capacitors and the extra small one is "more stable." Just build this, do not worry about why if you are just wanting to start your project. Let us know if something does not work.
Use the values that are suggested in the datasheet. If you add capacitors a factor of 10 smaller (called decade capacitors) it will help with higher frequency noise (RF, or radio band noise), as an effects of the impedance of a capacitor.
Feel free to add as many decade capacitors as you want, but you will not need them unless you start having FCC testing. They cannot hurt.
When someone increases this they are allowing their circuit to pull power from the power source for longer. If you have a long power line this will act as a small tank of power. If you are going to have long power lines, or very inductive power lines, add this.
The Fairchild datasheet says on page 23
2. CI is required if regulator is located an appreciable distance from power supply filter.
3. CO improves stability and transient response.
where CI is the input capacitor and CO is the output capacitor.
So depending on your circuit you have some freedom in picking CI.