I have heard on good authority that transistors are difficult to use in certain cases, such as >100 MHz operation. Why is this? Are there alternate devices which might be preferable?
-
Dont cite me as good authority! I was meaning to imply that basic use of a transistor is very easy, as you go into more complicated situations, high frequency operation being an example, the design becomes much more complex. I can make a basic amp knowing nothing but the type of transistor(pnp, npn or such) with a couple of resistors and a multimeter for low frequency operation. – Kortuk Feb 10 '12 at 06:36
-
Lol Kortuk, you're one of the best authorities I know!! – Mark Harrison Feb 11 '12 at 05:33
3 Answers
You premise is flawed.
It is not that transistors are difficult above 100 MHz, it is that any specialized circuit will require appropriate engineering. Engineering high frequency circuits using any components requires particular attention to lead lengths due to the wavelengths of the frequencies evolved. Wavelength is inversely proportional to frequency. In fact for radio waves in space wavelength = (speed of light)/frequency.
If you think about it, virtually all FM radios, TVs, cellphones and internet wireless routers use transistors (inside of integrated circuits) these days rather than the tubes (valves) that used to be used. 100 MHz is in the FM radio band, and routers operate in the GHz range.
What does cause issues in designing high frequency circuits is that as wires between components become a significant fraction of the wavelength involved they start behaving more like transmission lines, antennas, inductors and capacitors. This is not a problem with audio circuits where the wavelength is enormous.
Other factors to consider include crosstalk (signals from one wire appearing on another where they are not wanted) and shielding.
- 145,832
- 21
- 457
- 668
- 4,108
- 1
- 18
- 19
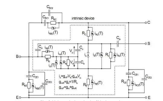
Using transistor in High frequency will cause some problems , that engineer will have to work them out while designing . First I will show the difference between BJT(as example, it also applies to other types ) transistor in low frequency & high frequency :
This is the model of BJT in low frequency with noise :

This the model in High frequency

The below figure will show you how many noise effects are added while the frequency increases

All of this will make it harder to design in high frequency ,
As Jonny mentioned you may also face the problem of "Cross talk " : crosstalk normally refers to a signal affecting another nearby signal. Usually the coupling is capacitive, and to the nearest neighbor, but other forms of coupling and effects on signal further away are sometimes important, especially in analog designs.
, & the problem of parasitic capacitance .
High-frequency circuits require special design techniques such as careful separation of wires and components, guard rings, ground planes, power planes, shielding between input and output, termination of lines, and striplines to minimise the effects of unwanted capacitance
So in brief: transistor operating in High frequency will face many problems like (cross talk , noise , parasitic capacitance , parasitic inductance .. )
Resources for further readings :- http://www.mbeckler.org/coursework/2006-2007/ee3101lab6.pdf http://iroi.seu.edu.cn/prepare/Meeting/File/SODC/data/01%20M.Berroth.pdf http://bmf.ece.queensu.ca/mediawiki/index.php/High_frequency_transistor_models
I would also say that at high frequency, may of the assumptions that are made for low frequency are not valid anymore.
Take this question: also an inductor, that you would expect to behave as a inductor (guess why?), at high frequency starts to show the behavior of parasitic effects like capacitance (oh my gosh it's the opposite!).
And transistors, if you look inside, are full of parasitic capacitances, since each interface between differently doped regions basically creates a capacitance. This is a big issue when designing high-performance circuits like microprocessors or RF circuits, but with discrete components the frequency at which these effects appear is much lower.
In general, in many cases circuit analysis you make the assumption of quasi-stationary signals to mean that the speed at which things are changing is low enough to consider them static. Increasing frequency, this approximation loses sense.
- 13,501
- 4
- 42
- 80