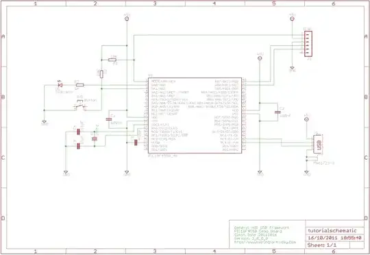
Take a look at this example schematic:

The chip in question is the PIC18F4550 and as you can see power is provided on both sides (with a 100nF cap to smooth noise I guess). Is this strictly required or could you put power into one side and just ignore the other? I know that I have just put power in one side and everything still seems to work fine but I feel uneasy with doing that. I feel that they would not waste pins that could be doing something useful by having an extra pair of power in/out pins.
For what purpose does this PIC MCU (and others like it) have multiple power pins?