Summary of the situation:
I have a 1975 Ford truck that suffered from the "Ford flashing headlight problem".
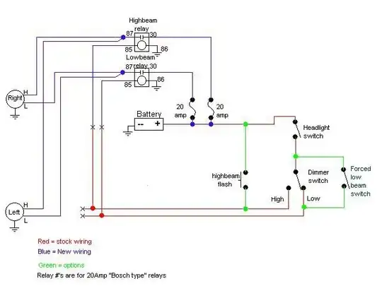
The factory wiring uses 18ga wires over a very long path and through an under-rated switch to power the headlights. When someone "upgrades" the headlights to halogens, the increased load overheats the switch causing its internal breaker to trip.
The fix is insert a relay and use heavier wires (14ga) to carry the power to the headlights over a shorter trip. You can read about it here: http://www.ford-trucks.com/article/idx/0/039/article/Whiter_Whites_Brighter_Brights.html
Original wiring:
Revised wiring:
Is a 20A fuse correct here? It seems too high for 14ga wire.
Should there be a fuse on the control line for the relay (contact #85)?
(A couple months ago my first Garage SE question would have been "why do the headlights on my truck flash?")

