The Raspberry Pi's USB ports can only supply about 100ma of 5V current; this comes directly off the 5V input power to the board. The usual solution is to use a powered hub to support devices that need more of that, but I have an application where I have a single USB device, and want to keep the setup as simple as possible, as it will be in an enclosure with other equipment.
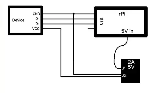
Comments in this question seem to suggest that a setup like this would work:

since both devices were being powered from a common source; I'm planning to try this with a USB charger with two jacks and and a cable like this, hoping I can carefully open the cable and identify VCC and snip it.
Is there anything else I should be aware of?
 
     
    


 
    