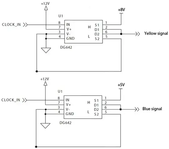
I am using electronic switches to create non-TTL square wave clocking. The oscilloscope graph demonstrates two measurements:

Yellow signal: 0-8V Blue signal: 0-5V
As you can see, yellow signal is contaminated with small voltage jerks every time the blue signal goes high or low. I use microcontroller to drive DG642 switches, which in turn output high/low voltage; the schematic below represents the connections.

The power of +5V and +8V comes from independent power supplies. Connecting 10uF bypass caps to pin(1) of each switch does not help. Why does such signal contamination happen and how to fight it?