I have understood the concept that a capacitor blocks DC and allows AC, but how does an inductor block AC? Suppose I connect the inductor in an AC circuit. I am still able to read the current at the output of the inductor, and the current at the output is exactly the same as the current at the input. What does the term "block" mean here? Please explain it to me without using the reactance formula of an inductor as I have tried understanding through that, but it doesn't make sense.
- 
                    Depending on the circuit and the component values, it's very possible that you weren't able to measure the effects. Also, "block" and "allow" can mean opposite things depending on how the circuit is configured and what you're trying to do. – vir Mar 22 '24 at 06:36
- 
                    Caps pass hf, inductors pass low frequencies. – Michal Podmanický Mar 22 '24 at 07:13
- 
                    Both inductors and capacitors allow AC current to pass. Depending on how you use them, an inductor can block DC and, a capacitor can allow DC. – Andy aka Mar 22 '24 at 12:37
7 Answers
"I am still able to read the current at the output of the inductor"
You can block something by varying degrees.
The current you are reading is lower than the current would be if the inductor was not there.
If your AC frequency was higher or the inductance was higher, it would be reduce the current more. This is assuming an ideal inductor. Real inductors have a small inter-winding capacitance which is equivalent to a parallel capacitance which lets some AC current bypass the inductor.
So that means that at low frequencies, the current is mostly going through the inductance and not a lot through the parasitic capacitance. As you raise the frequency, the overall current continues to decrease but a larger fraction of that reduced current starts flowing through the parasitic capacitance. If you keep increasing the frequency, at some point, more current starts flowing through the parasitic capacitance than the inductance and the overall current starts increasing.
- 
                    2Sorry about that, hit the wrong Edit button, the original was rolled back. – Nedd Mar 22 '24 at 09:43
I am still able to read the current at the output of the inductor, and the current at the output is exactly the same as the current at the input.
Another answer here already has mentioned this, but I want to emphasize it:
It's not the difference between current "in" and current "out" that matters. That difference always is zero.* What matters is the difference between how much current flows in the inductor, vs. how much current would flow if you replaced the inductor by a straight piece of wire.
* Current is moving charge, and an inductor does not store charge. In any given instant, the current flowing in to one end of an inductor will be the same as the current flowing out of the other end. It's just like a resistor in that respect. For that matter, it's just like a garden hose: The rate at which water flows in to one end of a garden hose always will be the same as the rate at which the water flows out of the other end. It has to be that way because the water or the charge has no other place where it can go.
 
    
    - 3,103
- 16
- 20
One way to look at an inductor is to view it as a resistor whose resistance varies with the frequency of the signal passing through it. At DC, its resistance is 0 ohms. As the frequency goes up, so does the resistance. That is what the reactance formula for inductors tells you. I know you didn't want references to that formula, but it really is at the heart of the whole thing.
\$X_L=2\pi f L \$ where \$X_L\$ is in ohms, \$f\$ is the frequency in hertz, and \$L\$ is the inductance in henries.
Here's a simple example for a 1 henry inductor:
| Frequency hertz | Impedance ohms | 
|---|---|
| 1 | 6.28 | 
| 10 | 62.8 | 
| 100 | 628 | 
| 1000 | 6280 | 
| 10000 | 62800 | 
| 100000 | 628000 | 
| 1000000 | 6280000 | 
As you can see, the resistance gets quite high for radio frequencies (1MHz and above.)
A typical use for an inductor is to make a low pass filter.

simulate this circuit – Schematic created using CircuitLab
That's a simple RL low pass filter with a cutoff at 100Hz.
If you send various frequencies through it, you get this plot:
That plot is the reason we say that inductors block AC.
The difficulty in trying to measure the reactance with a normal multimeter is that common inductors have very low inductances. They are so low that you cannot readily measure the difference with a common multimeter.
Here's the reactance for a 30 microhenry inductor:
| Frequency hertz | Impedance ohms | 
|---|---|
| 1 | 0,000188495559215 | 
| 10 | 0,001884955592154 | 
| 100 | 0,018849555921539 | 
| 1000 | 0,188495559215388 | 
| 10000 | 1,88495559215388 | 
| 100000 | 18,8495559215388 | 
| 1000000 | 188,495559215388 | 
A typical multimeter can only measure AC voltage to (maybe) 1000 hertz. At 1000 hertz, the reactance is still far less than 1 ohm. Since a typical multimeter has an input impedance of 10 million ohms, it would be like measuring the response of an RL low pass filter made like this:

As you can see, nothing interesting happens to the signal until you get above 50kHz - that is far outside of what you can measure with a normal multimeter:
To show the response of small inductors, you need an oscilloscope and a signal generator that can both cover a range from (near) DC to several MHz. Inductors large enough to make a difference that you can measure with a multimeter at audio frequencies must be very large. That 1 henry inductor that I used as an example above would make a difference that you could measure at audio frequencies using a multimeter.
A one henry inductor is fairly large - this one is a cube about 3 to 4 cm on a side. It weighs over 300 grams and costs nearly 9 dollars.
You really do need to look at and understand the mathematics. The reactance formula for an inductor is not complicated. Apply it to some typical values of frequency and inductance and you'll begin to understand it.
 
    
    - 71,321
- 10
- 107
- 188
Current running through an inductor generates a magnetic field which means energy. Because this energy build-up process needs some time, you can say that the inductor somehow refuses to have sudden increase/decrease of current. The faster the current signal changes (AC frequency), the more refusal of the inductor you get.
The output current is only the same in magnitude, but the phase of the current changes 90 degrees. The same magnitude in vs. out does not say anything about current blocking of the coil.
 
    
    - 7,396
- 1
- 12
- 24
Capacitance and inductance are reciprocal elements; you must complete the inversion to see the equivalence. Note the fundamental capacitor equation:
$$ I = C \frac{dV}{dt} $$
and inductor,
$$ V = L \frac{dI}{dt} $$
If a capacitor blocks DC voltage (the derived quantity), then an inductor blocks AC current.
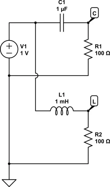
If we consider a circuit where L and C substitute:

simulate this circuit – Schematic created using CircuitLab
(give the AC simulation a try), we have zero gain at C at 0Hz, and zero gain at L at ∞Hz.
In the real world, we cannot achieve exactly zero or infinite frequency, and it should be understood that "blocks" is a relative term: when the amount is much less than the nominal (pass-band) level, hopefully with some defined threshold (half, 1/10th, 1/1000th, etc.). The threshold is arbitrary, but it suffices that it works the same with respect to any given fraction.
Note that low voltage across the resistance, means low current through it. Thus DC current or AC current has been blocked, in the respective case.
It does not mean that a series element can block an ideal current, like so:

Here, a current is defined into a single loop, so the answer can never be anything other than the given current, and C will always be 100V.  Technically, there is a divide-by-zero at 0Hz, where voltage diverges (infinite), but the limit in magnitude voltage is equal above and below 0Hz, so it is a removable discontinuity.
That is, voltage is of the form \$x/x\$, and we have a limit of \$0/0\$ which is undefined. This is true whether L or C is used, exchanging the limit for ±∞ of course -- for which we get a limit of \$\infty / \infty\$, again undefined, but again a removable discontinuity.
 
    
    - 33,670
- 2
- 22
- 95
In the simplest sense an inductor will have an increasing impedance when trying to pass a signal current with a higher and higher AC frequency. So if used in a low pass filter a series inductor might be said to be blocking the AC signal.
If you don't want to get confused with all the math and AC parameters you could to a certain extent think of an inductor's impedance as being similar to a resistor's resistance, but being related only to AC currents.
In your concept of input current and output current of an inductor, compare that to using a high value resistor. A high value resistor can block (or reduce to a very low level) an AC or DC current. The resistor's input current is reduced right from the start because the resistor "resists" the current flow. Similarly an inductor can impede (or reduce) an AC current flow. In both these examples if the far end of the component was completely open (with no current flow) you could effectively measure the the same signal voltage at the far end of the component, (assuming the measurement device had a sufficiently high input resistance/impedance).
In a more complex explanation, a current flowing through an inductor will build up a magnetic field, this magnetic field if generated from a DC current will build up to a point and stabilize. Reaching this stable point does require a certain amount of time. Once the magnetic field is stabilized the input DC current will equal the DC output current. However if an AC current is used the continuously changing magnetic field fights against the current that is trying to change (or reverse) the original field. As above it takes a certain amount of time for the field to change. If the AC frequency increases the timing between these magnetic field changes is also reduced. This resistance to change (over time) is more of what an inductor's impedance is related to.
Finally, note that most of the above is over simplified just to get the basic idea across.
 
    
    - 10,391
- 17
- 24
The word you're looking for is reactance. We say that:
- Capacitors resist changes in voltage, with opposing current, due to their capacitive reactance
- Inductors resist changes in current, with opposing voltage (also known as back-EMF), due to their inductive reactance
It's fairly easy to wrap your head around capacitive reactance. Capacitors store charge in an electrostatic field in reservoir-like fashion, and will react to changes in voltage with current into or out of the capacitor.
Inductors are, well, a bit different. They store 'charge' as a magnetic field that results from current being passed through them. Lenz's Law tells us that any change in magnetic flux causes an opposing electromotive force (back-EMF); likewise any change in current will cause a change in flux, and thus be opposed by back-EMF.
Say you have an inductor that's 'charged' to some steady current and a stable flux: there is no voltage across the inductor. You try to push in more current, which causes the flux to increase, which is opposed with voltage across the inductor until the flux reaches its next stable point. You see the voltage across the inductor rise for a bit - that's back-EMF - then it goes away once the flux stops changing.
That's inductive reactance, in (sort of) a nutshell.
Both inductive and capacitive reactance depend on rate-of-change. The greater the rate-of-change, the greater the reactance.
That is, the reactances are:
- \$ I = C \frac{dV}{dt} \$ for capacitance \$C\$
- \$ V = L \frac{dI}{dt} \$ for inductance \$L\$
Finally, we say that inductors in series 'block' AC because their reactance oppose changes in current. The higher the AC frequency (bigger dI in dI/dt), the higher the reactance, the more they block.
 
    
    - 53,912
- 2
- 49
- 152
 
     
    

