What is the purpose of putting R1 there?
Two devices need R1 - the input circuit (because of the charging of the capacitor) and the op-amp (because of the input bias currents). There is no connection between the two tasks; R1 serves them both. Let's start by considering the input circuit need.
Why does the input circuit need R1?
In AC amplifiers, it is often necessary to "move" voltage variations to an appropriate level for processing by electronic devices (op-amp here). This operation is known as "biasing". This role is performed here by the CR1 network.
A non-inverting amplifier has a very high input resistance, so in the circuit diagrams below we will assume it is an open circuit ("nothing").
AC input voltage
In the simplest case, an AC signal "wiggles" around the zero voltage level (ground).

simulate this circuit – Schematic created using CircuitLab
AC+DC input voltage
In many cases, however, the AC voltage is "shifted" by a constant value. For example, in the figure below Vin is "lifted" with Vref (i.e., the two voltages are summed according to KVL). In this case, this is implemented as a DC source connected in series to the AC source.

simulate this circuit
AC+DC+BIAS input voltage
This requires the input circuit of the amplifier to "shift" (bias) it back to zero. In our example, this means subtracting the bias voltage from the total input voltage and the resulting voltage (Vin + Vref - Vbias) to be applied to the op-amp input. We can implement it as above by connecting a DC source Vbias in series and in opposite direction to Vref.

simulate this circuit
Bias battery
But this voltage source is "floating"; so we can implement it with a battery. And an ordinary battery would do the job, but for it to work for an unlimited time we need to put a rechargeable battery. It has to be charged from somewhere; so we close the circuit with a resistor.

simulate this circuit
Bias diode
Any device that can maintain a constant voltage would work here. For example, it can be a diode (ordinary, LED, Zener, etc.)... but this has some peculiarities. The problem is that the Zener diode is not a source; so when Vin reaches the ground, the voltage across the diode becomes zero... the current stops flowing through it and it stops working. To solve this problem, the resistor must be connected to a negative source.

simulate this circuit
Bias capacitor
The most convenient devices for this purpose have turned out to be capacitors, and therefore historically they were the first to be used in AC amplifiers. To understand them, we can think of them as some kind of "rechargeable batteries". Here is the circuit operation...

simulate this circuit

Vin = 0. Initially, the capacitor is charged through the resistor to Vref (like the rechargeable battery above). The current flows through Vref, C, R, ground and Vin (zero voltage). At the end of charging, Vc neutralizes Vref and the total voltage in the loop is zero; so the current stops flowing.
Vin > 0. During the positive half wave of Vin, only it acts in the loop. A current flows from Vin, Vref, C, R to ground. As a result, the positive Vin appears across R as an op-amp input voltage. The capacitor slightly charges.
Vin < 0. During the negative half wave of Vin, a current flows from Vin, ground, R, C and Vref. The negative Vin (below the ground) appears across R as an op-amp input voltage. The capacitor slightly discharges. It is interesting that the capacitor acts as a source producing the discharging current.
Thus, the voltage across the capacitor fluctuates slightly but its average value remains relatively constant. An advantage of the bias capacitor is that its voltage is always equal to Vref even when it changes over time for some reason.
"Coupling" vs "decoupling"
In these applications, the main property of voltage-stabilizing devices (voltage sources, diodes and capacitors) to maintain a constant voltage across themselves is exploited.
Coupling capacitors. When they are "floating" and connected in series (as a bridge) between the output of the previous stage and the input of the next stage, their output terminal follows the changes of their input terminal, i.e., they "shift" the input voltage. As they say, the two stages are "coupled" through them.
Decoupling capacitors. When they are usually grounded and connected in parallel (as a shunt) to some device (e.g., a weak power supply), the voltage of their ungrounded terminal does not change, i.e., they fix the device voltage. As a result, all devices connected in parallel do not influence each other through the supply voltage... they are, as they say, "decoupled".
Here is another example (my picture) of using these techniques in AC transistor amplifiers where coupling capacitors (C1 and C2) and decoupling capacitor Ce are represented as shock absorbers (mechanical analogy). C1 "shifts up" the input voltage and C2 "shifts down" the output voltage.

Why does the op-amp need R1?
Now let's see what the op-amp need is. It is related to the op-amp input bias currents.
Input bias currents
One of the most misunderstood things about op-amps are the so-called "input bias currents". Where do they come from? Why should we provide them with a path to ground? Why are they currents and not voltages? I have tried to answer these questions as a student and later as a teacher. In the end, I was able to find the answer... and now I am going to share it with you. Here is my story...
Biasing from the base side
"Biasing" basically means adding another "input" signal to the real input signal. The classic way this has been done for many years is "by voltage" and "from the base side" (from the input side of the transistor). Then we clearly see how the two voltages - bias and input - add up and their sum is applied to the base. Examples of this are the complementary output stages of amplifiers.
Biasing from the emitter side
In op-amp input differential stages, however, this is done in a strange way - "by current" and "from the emitter side" (from the output side of the transistor). Let's see how it is done in the circuit below. It is split supplied with two identical power sources connected in series; the midpoint serves as ground. The upper source +V is connected with its negative terminal to ground so that its voltage is positive with respect to ground; the lower source -V is connected with its positive terminal to ground so that its voltage is negative with respect to ground.

simulate this circuit
A bias constant current source is inserted into the emitters of the transistor pair (between the emitters and the negative power supply). It forces the transistors (by the negative feedback mechanism) to adjust their base currents to let this emitter current pass through them. These base currents come out of the negative source, then exit the ground and have to go through somewhere to enter the base.
Let's now examine a 1/2 differential amplifier (the left half of the circuit diagram) at three different input elements by observing whether the base current changes.
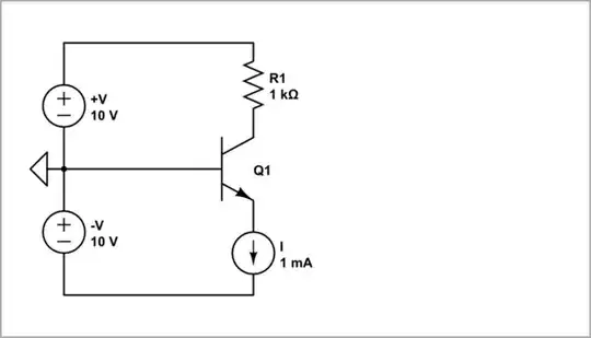
Input ground. It is easiest to just connect the base to ground. The bias current source encounters no resistance and easily drives the base current through the short circuit.

simulate this circuit
Input voltage source. Circuit designers have made an unusual decision - to insert the input voltage into the current path.
Obviously, the point of this trick was to get the maximum input resistance possible. However, this requires that the input voltage source must always be connected and that it must be galvanic (pass DC).
The current source is forced to increase its voltage to compensate for the disturbing effect of the input source. As a result, the base current hardly changes.

simulate this circuit
Input resistor. When the input voltage source is not "galvanic" (as it is here), we have to close the circuit (with the resistor R). The problem is that this element appears in parallel with the input source and draws a current from it (it is something different from the "input bias current"). So the op-amp input resistance decreases.
The voltage drop across R is small and the current source easily compensates for it; the base current hardly changes.

simulate this circuit
From the simulations above we see that in all three cases the base current is almost the same. So, since the input bias currents are set by a constant current source, their paths can be closed by any elements as long as they are "galvanic".
"Inventing" the differential pair
Here comes a unique opportunity to see a possible way how to "invent" the legendary "long-tailed pair"... and I will take advantage of it.
But it does not amplify!
Unfortunately, there is a "little" problem with our "half differential amplifier" - it is not an amplifier:-) Let's check this speculation by applying an AC input voltage with significant magnitude and observing the output voltage at the collector.

simulate this circuit
The result confirms our suspicions - even when the amplitude of the input voltage is 5 V, the output voltage does not change. What is the reason?

The problem is that because of the current source, the emitter voltage is not fixed but changes simultaneously with the base voltage. Obviously we need to "immobilize" the emitter with something... but what should it be?
Figuratively speaking, the current source is extremely "soft", the resistor less... and the voltage source is absolutely "stiff". So we need something like a voltage source.
Assembling the full differential pair
Eureka! It can be another transistor connected as an emitter follower (the right half of the differential pair).

simulate this circuit
The result is impressive - only 50 mV cause 1 V output voltage!

Now all that remains is to connect a second input source to the Q2's base to get the beautiful symmetric differential pair...

simulate this circuit
Play with the circuit by changing the input voltages in various ways:
Vin1 = Vin2 = +const (static common mode)
Vin1 = Vin2 = -const (static common mode)
Vin1 = +var, Vin2 = +var (varying common mode)
Vin1 = -var, Vin2 = -var (varying common mode)
Vin1 = var, Vin2 = const (asymmetric differential mode)
Vin1 = const, Vin2 = var (asymmetric differential mode)
Vin1 = +var, Vin2 = -var (differential mode)
Vin1 = -var, Vin2 = +var (differential mode)...