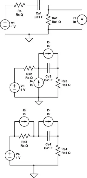
I'm interested in building a low-frequency, low-noise, AC-coupled preamplifier (mostly for measuring the noise of very quiet linear regulators). Several existing designs that I've seen use a matched JFET pair with blocking cap and large resistor to ground at the input. I'll use this paper as an example. I've copied the full schematic below.
The authors state that the thermal noise contributed by RA1 can effectively be ignored above the low-frequency cutoff of \$100\,\text{mHz}\$, assuming a sufficiently low-impedance source. Specifically they say:
The values of the AC coupling network components (CA1, RA1) are such that the pass band extends down to a few mHz and that the contribution of the thermal noise of RA1, assuming much smaller source impedances, is negligible with respect to SVEQ for frequencies larger than \$100\,\text{mHz}\$.
SVEQ is the power spectral density of the equivalent input voltage noise accounting for JFET noise, noise from the load resistances (\$R_D\$) and the equivalent input voltage noise of IA1.
I don't understand this. Why does the source impedance of the noise source matter? Does this mean that if the input were left open, RA1 would contribute significantly to the equivalent input noise?
This amplifier is constructed as an inverting amplifier, with gain \$-R_2/R_1\$. Why does the resistor thermal noise voltage (equal to about \$7.4\,\mu V/\sqrt{Hz}\$ at \$300\,\text{K}\$) not get amplified according to \$-R_2/R_1\$?






That feedback transistor is noisy because it doubles the JFET noise and adds a 2nd noise-contributing load resistor (RD), right? The precise gain probably is important though, otherwise it will be hard to work out the actual regulator noise from what I see on the spectrum analyzer. I'm also not sure how I'd bias a grounded emitter amplifier. And why would grounding the emitter amplifier contribute less noise then one with (1/2)
– MattHusz Jul 10 '22 at 16:44