I am doing an electronic load project in which I need to work with four MOSFETs in parallel working in the ohmic region (not switching).
I have a good heat sink. Furthermore, only one of the four MOSFETs is heating to the point that is impossible to touch it, while the other MOSFETs are cold.
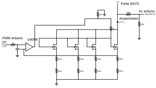
The schematic is the following:
While the load is drawing 200 mA from the DUT, this MOSFET is barely warm. But when I increase the current, I can hear a little snap from the MOSFET and it starts overheating.
Before it was diagnosed as a MOSFET defect, I have to say that I'd already substituted the MOSFET for an equal one. But the problem is the same, it persists, and (again) it's in a single MOSFET.
The power MOSFETs that I'm using are the IRF3205. The power resistors are 20W 0.5 Ohms. The voltage range I want to test with this load goes from 5v to 12v and the max current it needs to support is 20 A at any voltage.
Some hint?


