Linked here contains the diagrams of the oscillator I'm referring to.
I'm confused about a few things:
In the section showing the diagram with the freq register bits, this says "The input is taken from the data bus for the lower 16 bits while upper 8 bits are grounded." However there are only 8 values from the Data Bus (DB0 - DB7). I don't know if they meant "for the lower 8 bits while upper 16 bits are grounded" and accidentally switched the 16 and the 8, or if each value from the Data Bus is being used for two values in the freq register bits (making 16).
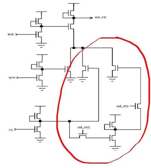
Further down, in the section about the sum feedback of the oscillator, "The resulting sum is latched (inverted for odd bits) at sid_clk2" and I'm not quite sure what is meant by "latched." In the accompanying diagram, there are two different mosfets where the sid_clk1 and sid_clk2 lines are being fed into the gate terminal, but I'm not quite sure how this acting as a latch.
At the top of the page before the diagrams: "Even bits have inverted logic to save some silicon and speed up the carry chain." I can see that even bits and odd bits are treated differently in the following diagrams, but I'm not clear as to why inverting the even bits is advantageous here.


