answer does not fit in comments hence posting a new answer.
Electric current is the rate of flow of charge caused by potential difference (voltage).
Flow of charge – means electrons (or holes) must move. Here electrons will move under external force which is supplied by electric field.
Hence understanding how the electric field changes inside circuit will help us understand why current is constant in series circuit.
We will recollect some points which will be very helpful in our analysis now:
I have provided explanation on why the below points are true at the end of the answer. You can check if you would like to refresh your memory
Electric field:
Electric field is a non-contact force. Unbalanced forces causes objects to accelerate in the direction of unbalanced force and a balance of force causes objects to remain at equilibrium. [Equilibrium and steady state are different]
Coulombs law states that the electrical force between two charged objects is
a. Directly proportional to the product of the quantity of charges on the objects and
b. Inversely proportional to the square of the separation distance between the two objects
c. F = [K (Q1)(Q2)]/d2
d. Electric field strength E = (K (Q1))/d2………F = E (Q2)
Surface Charge:
- If conductor has acquired an excess charge, the excess charge quickly distributes only over the surface of conductor and not anywhere. Any excess charge will reside on the surface of the conductor.
Drift Speed:
- The average speed of an electron in start–stop motion (due to collisions with atomic core) is called the “drift” speed v, and we say that the electron “drifts” through the metal.
- So whenever we talk drift speed collisions are taken into account.
- Drift speed of electrons is very very slow whereas Electric field travels very very fast (I think it is about the speed of light)

Current:
- Conventional current is the amount of charge (in coulombs) passing that point per second.

n- Number of holes,
q – Charge of holes,
A - Area of cross section,
v is drift speed (v= u E),
u – Mobility,
E- electric field strength.
2. Electron Current:
The rate i at which electrons pass a section of a wire:
i = nA v = n A (u E)
v is drift speed (v= u E),
n is the mobile electron density (the number of mobile electrons per unit volume),
A is the cross-sectional area of the wire, and
v is the average drift speed of the electrons. In SI units, the units of i are electrons per second.
Answer: Why current is same everywhere in series circuit.
Scenario 1: Connect a battery and a wire as shown in figure.

After connecting the circuit, initially before reaching steady state what happens is:
As soon as we connect the circuit, battery creates an electric field as shown in the image (check the electric field of dipole in the image above)
Electrons (on negative terminal of battery) start leaving the negative plate and move through the wire to positive plate [that’s how excess charge carriers enter conductor wire].
Excess charge resides only the surface of conductor [explanation as to why is given at the end of answer].
At the locations marked 1,2,3,4 and 5 initially the electric field direction is as shown below (observe that location 5 is farther than 4, 4 is farther than 3………. It means according to coulombs law location 5 has less field strength compared to 4 and field strength at 4 is less than location 3) Field strength is accordingly represented by the length of the arrow.

Observe at right bend, at location 3 more field strength means more force on charge carriers than at location 4.
Charge carriers are pushed in the direction of field (as field applies force)
Any unbalanced force causes the object to accelerate in the direction of unbalanced force.
Hence excess charge slowly starts building up at right bend as more force is applied at location 3 than at location 4. We will call the respective fields as E3 and E4 [E3 > E4]
a. At first few charge carriers build up at right end.
b. But any charged particles can in turn create an electric field. Hence there is an electric field because of surface charge build up.
c. Like charges repel.
d. The direction of this electric field will be opposite (if not exactly opposite, x or y components of vector may also be acting opposite to E3) to the already existing force (which is creating the charge build up) that is because, as more charge carriers are pushed toward one place means it has more charge carrier concentration compared to surrounding locations [electric field is from + to -] . We will call this new field as Eoppto3
e. Now we have two fields acting against each other E3 and Eoppto3.
f. So field strength of E3 reduces because of this.
g. Now what happens to surface charge build up? ……. Surface charge build up started
because E3 > E4 ….. …Now after E3 is reduced due to Eoppto3, E3 is little less
than previous E3 but still more than E4, hence more surface charge builds up
continues.
h. Again Process from b to e repeats.
9.
a. At every surface charge build up episode if E3 still greater than E4, surface
charge build up continues…….. Like this at some point E3 will be equal to E4… E3
= E4.
b. It means no unbalanced forces to accelerate charge carriers… means surface charge
build up stops when E3 = E4.
- Not only at this location, In entire circuit, this process keeps happening and at last when the all the electric fields becomes equal (uniform) this surface charge build up stops (if all electric fields are equal, no more unbalancing forces to accelerate charge carriers).
Steady State:
- Hence at steady state, in this particular circuit, electric field is uniform in entire wire. (at any point if electric field is not uniform, surface charge builds up and makes electric field uniform)

So why is current everywhere same in this circuit?

For a conductor wire of particular metal, number of mobile charge carriers, mobility (u), area of cross section as we have taken is constant then the only varying factor is electric field.
Due to surface charge build up mechanism, electric field also becomes uniform. Means pushing force on charge carriers is everywhere constant. Hence current is same everywhere.
Excess charge carriers are only building up on surface. Conductor has so many free electrons and under uniform electric field, they start moving. Hence these free electrons contribute to current.
Excess electrons are resided on surface and because of them; uniform electric field is maintained (in this circuit without any resistor).
Battery tries to maintain same potential difference across its terminals and hence surface charge build up also stays same as long as the battery works. And as long as this set up stays same, current is same everywhere.
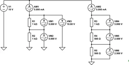
Scenario 2: Battery, (thick) wire and resistor (as thin wire) of same material:

As soon as we connect the battery in circuit initially before reaching steady state what happens is:
Initially Electric field in thick wire and thin resistor (mentioning only downside portion of circuit) might about be same
(Not exactly equal but about be same because, observe in the image above how electric field lines almost have a circle-ish kind of shape (not exactly of course) and one can notice electric field strength (length of vectors) about be same there.
Excess charge carriers (when connected to battery, electrons start leaving negative terminal travels thru wire enter positive terminal, thus excess charge carriers enter wire) start moving due to initially established field.
So now charge carriers have to move through thick wire, enter thin resistor and then exit to thick wire.
Number of charge carriers per second trying to enter the resistor is large whereas the number of charge carriers per second passing though the thin resistor is small number.
So excess charge carriers pile up at the entrance of resistor.
Due to pile of charges at entrance of resistor, deficiency is created at the exit location of resistor
Note this point, this will be useful to determine when the pile up stops:
a. So why the pile up started? …… Because large number of charge carriers per second entering the resistor and only small number of charge carriers per second are able to leave. . . . why?.... due to difference in areas of cross section [pile up = incoming charge carriers per second > outgoing charge carriers per second]
b. At this point in our analysis, still surface charge is just at the beginning of building up stage and hence electric field is about be same in thick, thin wires and hence same drift speed in both sections of wire….. that’s why large number of charge carriers per second trying to enter the resistor and only small number is able to leave.
So the excess charge move to surface and pile up of surface charges begin.
Pile up of charge at entrance and deficiency of charge at exit ..….Notice the electric field pattern due to pile up? ……… so an electric field is developed inside resistor having direction from entrance of resistor to exit location.
Surface charge carrier pile up at entrance,
a. repels the incoming charge carriers (means speed of those incoming charge carriers decreases)
b. They also repel outgoing charge carriers from resistor, as a result their speed increases.
c. Here observe that as surface charge pile up increase, electric field strength developed by this also increases gradually
So after this speed adjust, if incoming charge carriers per second > outgoing charge carriers per second ….. Surface charge pile up continues …….this in turn increases electric field strength developed by these surface charge carriers. And this process repeats till pile up stops.
When all the incoming charge carriers per second entering resistors are able to leave resistor at the same rate the pile up stops.
a. How is this achieved?
b. Charge carriers travel with a certain speed till entrance of the resistor
c. At the entrance due to surface charge pile up, field strength is increased in resistor
d. As charge carriers enter resistor, speed of charge carriers increases (as field strength is greater here) and Yes, speed of charge carriers gets increased inside resistor.
e. So whatever large number of charge carriers per second are entering from thick wire are able to leave the thin resistor because of increased drift speed.......after charge carriers leave resistor, electric field is small in thick wires hence speed decreases as thick wires have greater area of cross section. So only inside resistor electric field magnitude is large. In thick wires it is small on both ends of resistor.
Observe that rate of flow of charge became equal in thick and thin wires due to this difference in speed (if it were not equal surface charge would pile up..Only when this rate becomes equal surface charge pile up stops and this creates our required electric field pattern to achieve same current)
(remember, drift speed takes into account collisions, so the doubt that speed may decrease due to collisions can be avoided)
f. Hence this difference in speed in thick and thin wires makes current equal in both wire and resistor.
- Electric field has uniform large magnitude throughout the resistor and uniform small magnitude throughout thick wires (uniform magnitude is achieved as explained in scenario 1)

Note:
Drift Speed (and this is calculated with all collisions taken into account) of electrons depends on electric field.
Why it depends on electric field….electric field is a non-contact force…Under external force, object moves. So as field strength increases, drift speed increases. As field is force…more field means more force.
Regarding voltage drop:
What is Electric potential ….. it is electric potential energy per unit charge.
What is electric potential difference [voltage] = Change in potential energy / Charge
What is change in potential energy ?
a. Work done on the charge changes its potential energy to a higher value; and the amount of work that is done is equal to the change in potential energy
So voltage (electric potential difference) = work/charge = change in potential energy / charge. Hence we are considering the work done on charges in when calculating the voltage.
Electric field has high potential and low potential locations.
Based on field arrows, it starts at high potential and reaches low potential.
Whenever charge carriers travel in electric field(not against…moving against electric field requires external force and this increases the potential energy) from high potential to low potential locations, they lose potential energy.
Energy is conserved, means potential energy is converted to heat, light etc in circuit.
In resistor, observe in the last image that electric field strength is greater than in wires due to surface charge build up. Hence more potential energy is lost here. (and converted to other forms …if load is bulb it converts to heat and light etc)
Scenario 3::
Resistor with same area of cross section and decreased mobility (due to resistor being made with other material than in wires) can also be proved as scenario 2.
Surface charges gets buildup at surface of resistor, electric field increases and same procedure as scenario 2 follows.

Surface Charge:
If conductor has acquired an excess charge, the excess charge quickly distributes only over the surface of conductor and not anywhere else.
Conductor is initially neutral, no of electrons = number of protons. Although the roaming electrons repel each other strongly, this repulsion between electrons is neutralized on the average by the attractions exerted by the positive atomic cores
When excess electrons are acquired, [like charges repel] hence excess electrons want to minimize the repulsive forces.
According to coulombs law as distance increases force decreases, hence they will want to go as far as possible. Hence excess charge will reside on the surface of the conductor.
Moving left or right in the conductor does not help to minimize repulsive forces as it repels from other electrons present there inside conductor.

Electrostatic field inside a conductor is zero here in the image.
Drift speed:
A mobile electron in the metal, under the influence of the electric field inside the metal, does accelerate and gain energy, but then it loses that energy by colliding with the lattice of atomic cores, which is vibrating because of its own thermal energy and acquires more thermal energy due to the collisions of the electrons with the lattice. After a collision, an electron again gets accelerated, and again collides.
The average speed of an electron in this start–stop motion is called the “drift” speed v, and we say that the electron “drifts” through the metal. So whenever we talk drift speed collisions are taken into account.
Drift speed

Current:

Conventional Current I:
It is defined as the amount of charge (in coulombs) passing that point per second.
This is the number of holes per second multiplied by the (positive) charge q associated with one hole:
I = q n A v (coulombs per second, or amperes)
I = q n A (uE)
1 C/s = 1 ampere (abbreviated A). The direction of conventional current is opposite to the direction of electron current
n- Number of holes,
q – Charge of holes,
A - Area of cross section,
v is drift speed (v= u E),
u – Mobility,
E- electric field strength.
Note: Reference: pics, explanation: matter and interactions by Chabay and Sherwood