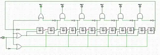
I try to build a stepper based on a book. I have been looking for the error for hours now, but still could not find it. Maybe you can help me with this issue?
The squares are 1 bit memories. Somehow when I connect the last output with the left input, the wire gets red, which indicates an error somewhere. If those are not connected, the stepper works just fine:

Many thanks in advance :)
Edit: I copy the internal structure of those squares:
Mine looks like the following:
In the working example it is like that:



