0

wave form and schematic diagram Why is the first pulse wave is not the same as the rest of the wave in this 555 timer?

Is there any way to remove the wave before 2 ms or is there anyway to make it same as the rest in the graph.

TonyM
  • 22,898
  • 4
  • 39
  • 64
  • 1
    yeah, you're still using the wrong components for your job. How about you drop both the NE555 and the OP 741, and start from scratch, and design something that does your job instead of trying to somehow use the two worst chips in existence (little exaggeration needed there). – Marcus Müller Jun 19 '20 at 13:54
  • I’m voting to close this question because OP does not incorporate feedback from previous questions – the LM741 is still operated with input 2V below its negative supply rail, and with a too low positive supply. None of this would work. Since OP doesn't incorporate feedback, there's little expectation for benefits too them or future readers. – Marcus Müller Jun 19 '20 at 17:18
  • I vote to keep it open. He asked two questions and eventually got answers that were on topic. – AnalogKid Jun 20 '20 at 12:55

3 Answers3

3

Is there any way to remove the wave before 2 ms or is there anyway to make it same as the rest in the graph.

Yes. First, you remove your NE555 from your design approach. It doesn't help you in any way I can think of when trying to convert a sine wave to an impulse comb.

Then, you remove the 741. It doesn't help you in any way when trying to convert a sine wave to an impulse comb, unless you have a large bipolar power supply, which you don't seem to have. Even then, it would be the least sensible opamp to use – many, many other opamps would be better.

Marcus Müller
  • 94,373
  • 5
  • 139
  • 252
2

This likely only happens at the power-on situation because the capacitor on the 555 has to begin its charging sequence from 0 volts. In all other cases, the capacitor never gets fully discharged hence, it behaves properly.

Reasons not to use the NE555

Also problematic is that the 741 (a dinosaur that was developed before a man landed on the moon) is not rated to run on an 8 volt supply - it needs at least 10 volts.

Also, you are feeding an AC signal into a 741 input that can go 2 volts below the most negative pin on the 741 and this is likely to cause problems if not damage the part.

Given also that the common-mode input range does not extend to it's negative rail pin, you are likely to get very surprising results in real life and quite possibly when using the simulation.

Reasons not to use a 741.

May I also remind you of something I said on your previous question: -

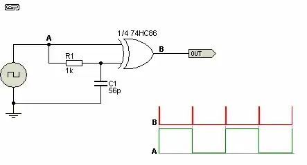
You need to find an op-amp that can handle below the negative rail input signals. There are few (not many and maybe hard to get). But when you do find one you will have a sinewave to square wave circuit and then you need to convert edges to pulses hence what I said about an RC circuit and an exclusive or gate.

So, use an exclusive or gate to turn a square wave (green) into a pulse output (red): -

enter image description here

Andy aka
  • 456,226
  • 28
  • 367
  • 807
1

In the first half-cycle after power-on, the timing 555 capacitor charges from 0 V to (0.67 x Vcc) V. For all subsequent half-cycles, the timing capacitor voltage varies between 0.67 Vcc and 0.33 Vcc. The capacitor voltage never goes down to 0 V again, so that longer half-cycle is not repeated.

AnalogKid
  • 19,998
  • 1
  • 13
  • 32
  • While what you write in this answer is correct, it's technically irrelevant: the LM741 is operated with a unipolar supply, but input that drops below, and would be malfunctioning or even get damaged in this application. Also, you're not answering the question OP posted (how to dix this?) ;) – Marcus Müller Jun 19 '20 at 17:16
  • MM, are you serious? – AnalogKid Jun 20 '20 at 12:51