The 4000 series ICs (and most modern ICs) use some form of CMOS topology. This use complementary MOSFETs to drive high and low, rather than the resistor-BJT arrangement shown in your diagram.
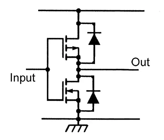
The problem with MOSFETs when it comes to reverse polarity is the body diodes within their structure. If we look at the structure of say a simple inverter, we end up with something like this:

The diodes aren't added intentionally, but rather come about due to the structure of a MOSFET (*).
These diodes aren't disastrous issue (**) in a CMOS gate if the source of the PMOS (to transistor) is at a higher voltage than the source of the NMOS (bottom transistor). The diodes are always reverse biased, so pose no threat.
If however we were to reverse the polarity and connect the PMOS source to a negative voltage with respect to the NMOS gate, then clearly there is now a direct current path through both body diodes. This causes a direct short-circuit across the power supply. Regardless of whether the transistors are switched on or off, a large current will flow, causing excess heating and damage to the circuit.
(*) You can search further for MOSFET body/parasitic diodes.
(**) Ignoring possible latch-up issues.