There are a couple of ideas you are probably missing. One of them isn't often taught directly in an electronics textbook (but would be found in a physics textbook.) The other idea is simple enough and is where I'll start.
Suppose you have the following schematic:

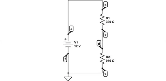
simulate this circuit – Schematic created using CircuitLab
With reference to the ground symbol (we can place that anywhere, but I've chosen the conventional location here), the following graph may help:

The \$y\$-axis is volts and the \$x\$-axis is just the labeled positions around the loop. You can see that a wire doesn't have any (much) voltage difference, one end to the other of the wire. But the resistors are where the voltage varies. The resistors are where there is a significant voltage gradient. In between the resistors, there's no appreciable voltage gradient as the above chart suggests.
Note that the gradient is "steeper" for \$R_2\$ than for \$R_1\$ in the above graph. This is partly an artifact due to my use of uniform spacing on the \$x\$-axis for each point on the schematic. But the artifact isn't a harmful one. If the resistors are of the same length, then the above chart doesn't do any injustice to the gradient's slope.
There is a reason why this takes place in a circuit. The above is just a statement or claim about it. But it doesn't explain why. For the why, you need to go into physics-mode. When the circuit is connected up, almost instantly very small numbers of electron charges set themselves up on the surface of the wires in order to create those gradients I mentioned above. If you need more details about that process, you can visit here or here for some varying perspectives on that aspect. Or just ask me to refine the question a bit.
Follow-up Question
On your graph, voltage is dropping throughout as you said/shown. Since
resistance is fixed, if voltage is changing, wouldn't current have to
change as well given by Ohms law? and if so, then wouldn't this mean
current is not constant across a series circuit?
The voltage shown on the chart is just a number representing a field value at some point in 1D space. (Reality is closer to a 3D space, though this brings in Minkowski space-time. A complexity which is better avoided for now.) The field number is assigned by humans and is, of course, entirely arbitrary. We choose a reference point. Nature does NOT choose it. Just as relativity theory tells you that "everything is relative" and that there is no such thing as a "privileged frame of reference" in nature, so also is it true that for the purposes of a voltage value there is no such thing as a privileged voltage (such as zero.) All voltage numbers are equally privileged and everything is relative. This is the first thing you need to hammer into your head. Voltage numbers are arbitrary.
However, and this is very very important, the voltage difference between two points is not arbitrary. That is something that nature does care about and will enforce. So while you can choose to make "ground" have the value of one million, for example, and all of the other points will have values relative to that assignment choice you made, the differences between these points will be the same regardless of your starting-point choice.
Okay. With that out of the way, here's the answer to your question. Current is not driven by some arbitrary voltage number assigned at some point in space by you! You don't matter to the universe/nature. It doesn't care what number you've assigned. That's your problem, so far as the universe is concerned. What the universe does care about, though, are the differences between that point and nearby points. So if the field value is \$7\:\text{V}\$ at point A and is \$8\:\text{V}\$ at point B, then there is a field gradient between these points of \$1\:\text{V}\$ divided by the distance between them (easier to compute if you use a straight line between the two points.) If the distance between is \$1\:\text{cm}\$ then the gradient is \$100 \frac{\text{V}}{\text{m}}\$, assuming a simple linear relationship along the way.
It is the gradient, not the values you've assigned, that drive currents.
If point C is at \$250\:\text{V}\$ and all the nearby surrounding values are also all exactly the same, and at \$250\:\text{V}\$, then there is no gradient and therefore no current.
Looking back at the resistors and the chart, you can see the gradient. (As I pointed out earlier, the slope of the line shown is an artifact of how I drew the chart.) It's that gradient that drives current through the resistors.
Now, before you ask me about the wires, let me jump in. I used "ideal" wires. Real wires aren't ideal. They also have resistance. But just a lot less. So it takes only a very tiny gradient from one end of a wire to another to cause a substantial current in the wire.
The magic that takes place when you apply a voltage source to a circuit loop is this: the moment you apply the voltage, electrons set themselves up along the surfaces of everything in the circuit loop, almost instantly, in just such a way that the voltage gradients between physical points in the loop are exactly what's needed to cause the single value of current to flow that will be equal throughout the circuit loop. The electrons self-organize, perfectly. See this as, perhaps, like taking a moment (femtosecond?) to re-align themselves in various corners, nooks and crannies in just such a way that all of the voltage gradients between any two points are exactly what's needed to sustain that current.
How do they do this? It's all just about some local jostling around. The applied voltage immediately causes electrons to shift around and move slightly. As they do, they affect other nearby electrons. And this affects still more. All of this happens so fast, it can only be observed in a laboratory. For us mortals not living or working in physics labs, we can ignore the momentary event and just assume it happens "like magic." Once the electrons have been self-positioned just right, though, the rest just happens.
Keep also in mind that it takes only a very, very, very small number of electrons all along the way throughout the loop to impel very large currents. (This is a reflection of the incredible magnitude of the electric force, which we don't normally experience at our human scale of things because the world around us is "mostly neutrally charged" due to the power of those same forces.) So the number of electrons involved is so small, and their very tiny motions required to get into position so little, that it isn't observable as a current by itself. It's just really quick. And once that's done, the circuit just works right and according to Ohm's law.
I'm sorry about writing so much more here. But you are trying to get an intuitive understanding. If you want to more fully understand this, please get and read a book I often recommend: "Matter & Interactions," by Chabay and Sherwood.