A Quick Note
I'm not sure of a more accurate name for this question. If you can think of a better name, feel free to edit and change the name. Also, I'm not the greatest with technical terminology so please forgive me if I'm not explaining something correctly. If you need clarification please ask and I will update the post.
Legend
- T = Top
- B = Bottom
- L = Left
- R = Right/Rear
Overview
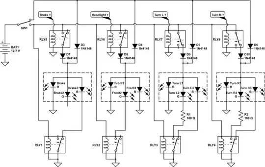
I currently have two other posts (here and here) related to this one, both solving different issues. This is a new issue, and the idea seems rather complex to me. This is an in depth lighting kit for my car. It involves a multi-function light, under glow, interior lighting, engine bay lighting (via the hood), and grill lighting.
I have eight LED strips that each have the following four wires:
- Positive
- Negative
- Red Channel
- Green Channel
- Blue Channel
Four of the LED strips (engine bay and grill) are wired together to come on as a single entity displaying purple so the hookup is:

simulate this circuit – Schematic created using CircuitLab
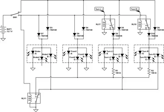
The other four strips are located under the car along each edge. Currently, three of those are wired together to display purple with the fourth connected to the brake light displaying red:
This is where I begin having a hard time describing things; so please bear with me. The idea is to have all eight lights display purple when the switch is in the on position; and the lights under the car display as follows when the switch is in the off position.
- Bumper (F): White (Hooked to head-lights)
- Bumper (R): Red (Hooked to brake light)
- Side Panel (L/R): Amber/Orange (Hooked to turn signals)
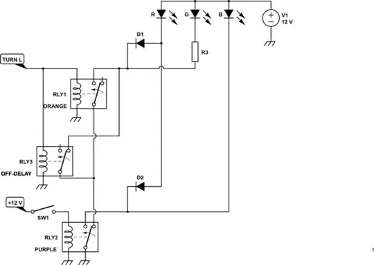
To add to the complexity, I would also like to add in my relays (see this post for details on the relays) to have the side panel lights blink between amber/orange and off, with the turn signals whether the switch is on or off; and if the switch is on, it changes the color to amber/orange and blinks with the turn signals (again in the on/off fashion instead of blinking between amber/orange and purple); then when the turn signal stops completely it turns back to purple).
My Questions
How can I achieve most (if not all) of the above?
I believe I may be able to use jumper wires to route the signal but I'm afraid this will cause white lights when the switch is in the on position.
Notes
- I prefer all of this to go through my single switch if possible.
- My car is a 2016 Mitsubishi Lancer.




and if the switch is on, it changes the color to amber/orange and blinks with the turn signals (again in the on/off fashion instead of blinking between amber/orange and purple); then when the turn signal stops completely it turns back to purple).This section is the only one that would require much more complexity. Like microcontroller and multiple relays just for this one light. I answered using the On -> Blink amber, Off -> Purple manner instead. – Passerby Oct 22 '18 at 18:34