i have been asked to solve a circuit using thevenin theorem but when i try to solve it to find Vth by loop analysis, i realized that both voltages are in opposing directions and i can't understand that how can i write the loop equation for it.
[1]: https://i.stack.imgur.com/OK0QK.jpg
This is where I'm stuck. I want to find Vth.
- 3
- 3
-
1make one voltage negative with respect to the other? – Solar Mike Sep 29 '18 at 19:36
-
Where is Vth in this circuit? – Stefan Wyss Sep 29 '18 at 20:01
-
Welcome to EE.SE. Please edit your question to show your work so far. That probably requires you to draw your current loops and write the equations. You need to show where you are measuring $V_{Th}$ as it is not shown on your schematic. – Transistor Sep 29 '18 at 20:30
-
This looks very much like a homework question, so we will expect you to show some effort and ask a specific question. – Elliot Alderson Sep 29 '18 at 20:31
-
I suggest you use a minus sign in your equations and capital I's in your question. – Oldfart Sep 29 '18 at 21:55
-
I think you might get another answer or two to this, but it would be wise to rotate your first picture, and retake, crop and rotate the second. As an alternative, you can click the button with a (pencil, diode, capacitor, resistor) on it and use the built in schematic editor to add a schematic to your question. – K H Sep 29 '18 at 23:45
-
Use KVL - there is only one mesh once you’ve removed R3. – Chu Sep 30 '18 at 00:39
3 Answers
You must apply the Superposition Principle.
It is about passivating one of the power sources and solving the unknown with the other power source. Next, the other source is passivated and again the unknown is solved with the source that was passivated in the first place.
In the case of voltage sources, passivation implies that the source is removed from the circuit and instead, an impedance equal to the internal impedance of the source is placed. If the circuit model is ideal, this corresponds to removing the voltage source and instead placing a short circuit.
If it is a question of current sources, we proceed in the same way, removing the source of the circuit and placing in its place an impedance equal to the internal impedance value of the source. If the model is ideal, the current source is removed and an open circuit is defined instead.
Take a look of my response to this question: Ohm's Law of a circuit which have both Voltage Source and Current Source
- 3,034
- 13
- 20
Your solution is wrong on Thevenin equivalent. In first you have to cut circuit on R1 and R4 nodes then work on remaining part. Thevenin euivalent is composed by a voltage source and a series resistor that is the one when you short voltage source and open current source. When applyed to, R2 result in parallel to R3. As I read RTh is 16.67 or 2*25/3 not 10 (50?) Ohm as seen on your hand writing. Equivalent Thevenin Voltage source is the voltage at node of cut circuit so it is voltage across R3 (on cut part) By voltage divider VTh = VR3= B2xR3/(R2+R3) 7.5x25/75 so it is 2.5V. Reconnect Thevenin Equivalent to R1 R4 then evaluate current loop: is the remaining voltage loop divided by resistance of loop: (B1+BTh)/(RTh+R1+R4)
- 21
- 3
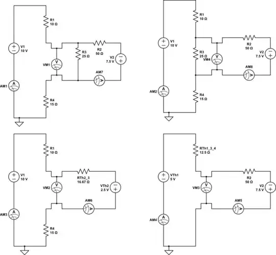
I seen Martin answer checked as best answer but I cannot see Thevenin applied to. As from these two schematics, one can solve by cutting circuit from left or right of R3. Upper are original circuit with a rotated C where to cut. On bottom are Thevenin equivalent of original
On left Generator V1 remain untouched with R1 R4, Gen V2 and R2 R3 whre changed using Thevenin
On Rignt V2 remain untouched with R2 R3, Thevenin apply to R1 R2 R3
All voltmeter display 2.5V positive upper. Applying superposition, V1 on V2 Off voltage across R2_3 result in 4V V1 OFF V2 On Voltage across R1_3_4 result in -1.5V So voltage across the two nodes again result to be V11+V22 = 4+(-1.5) again 2.5V

simulate this circuit – Schematic created using CircuitLab
- 21
- 3