I am working with the INA826EVM board and I am wondering why it needs an additional op-amp for a reference in the Instrumentation Amplifier?
-
2You should include the schematic and I think the google keyword you're looking for is "differential amplifier". – Long Pham Aug 26 '18 at 04:26
-
related threads (if not duplicates): this and this – Nick Alexeev Aug 26 '18 at 04:46
2 Answers
The core of an instrumentation amplifier is a differential amplifier, it simply subtracts voltages. To increase the impedance (the current from the output or reference can affect the signal, because there are only resistors separating the two) the input was buffered on the inputs of the differential amplifier. People quickly realized that by tying the feedback loops of the buffer amplifiers, the Common Mode Ratio Could be increased.
The differential amplifier is the part that needs a reference, or at least needs to be grounded, otherwise the resistor matching wouldn't take hold and it would simply be an opamp with feedback, so in the least the resistor divider needs to be connected to ground. Or you can connect it to a different voltage to shift the output. This is extremely useful, because many ADC's are not bipolar (many go from 0 to 5V) and a bipolar signal needs to be shifted (by 2.5V) to get into that range. Or you could ground it and not need the shift.
Source: https://www.electronics-tutorials.ws/opamp/opamp_5.html
- 82,181
- 41
- 84
- 220
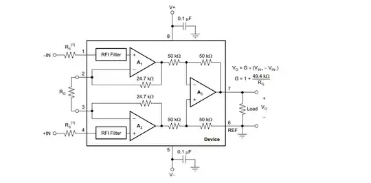
As you can see, if you look at the schematic for the INA826 instrumentation amplifier, the reference input, unlike the -IN and +IN inputs, is not high impedance:
So, adding a buffer makes it more generally useful for evaluation. If you have a low impedance source for your reference (for example, ground) you don't necessarily need a buffer.
The EVM provides the PCB patterns to add such a buffer (U2 on the schematic), but it is supplied unpopulated.
- 397,265
- 22
- 337
- 893
-
-
For example if your output should be centred at the middle of the range of an ADC which only accepts 0–Vref in, you would use Vref/2, so you might want a buffer if you use a voltage divider. – Spehro Pefhany Aug 26 '18 at 04:50
