I have a string of multi colour LED lights - two colours are connected in one polarity, and the other two colours are reversed. They come with a controller that is able to turn all the LEDs on at once by reversing the polarity at a high frequency.
I'd like to get rid of that controller and control them with my own microcontroller. I'm looking for a part or circuit design that could reverse the polarity of that load based on a digital high/low signal. I could then feed this a PWM signal from my micro at a 50% duty cycle.
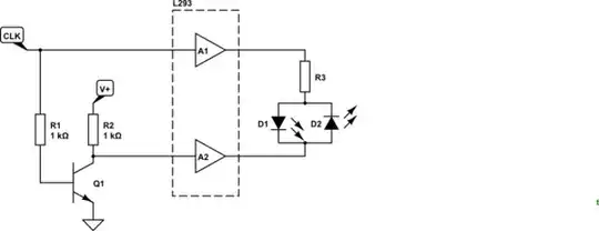
I had thought about using a H-bridge (I have some L293Ds to hand) but that on its own won't quite do what I want, as I have to bring one input low and the other high.
Could anyone point me in the right direction? Perhaps I'm just thinking about this in the wrong way.
