3

I have started trying out PCB designing very recently and I found it extremely interesting and wanna learn more about it. A week ago I was working on a RF remote project and I have attempted to design a PCB for it. I would mean a lot for me if you guys can take a look at it and give your honest feedback about it. Good or bad feedback I am eager to hear it all. If it is very bad, am ready to get roasted for it as well.

I have already got the answer for 90 degree angle routing. I need some inputs like

  1. Does the components are too crowded and difficult to make the PCB in real time?
  2. In the receiver PCB, I have used two different PCB trace widths, Should i keep it uniform throughout the board? or it doesn't matter?
  3. Does using Via is bad for the design?
  4. Any specific component in a board I should take high care when placing in the board?
  5. How well does the top layer routing works with through hole components, I have heard that it will give trouble when soldering the components to the finished board Is that true, should i try and avoid that?

Any other piece of advice is very much appreciated. Am not sure that these kinda feedback request can be posted in this community, if not kindly apologize :)

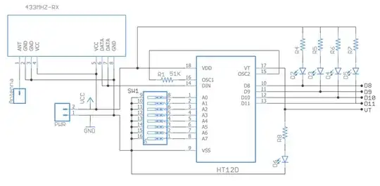
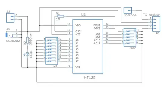
RF remote using HT12E Circuit Design: RF remote PCB for the above circuit: RF remote PCB

RF remote receiver and control circuit design: RF remote receiver Controller circuit RF receiver unit PCB design

Frank Donald
  • 399
  • 2
  • 15
  • Please keep questions specific, you'll get better answers instead of a hodge-podge. Ask a few questions about where your understanding is limited. https://electronics.stackexchange.com/help/how-to-ask – Voltage Spike Aug 16 '17 at 05:11
  • 2
    Do not use 90 degrees angle when routing traces. – Jason Han Aug 16 '17 at 05:24
  • 8
  • 5
    You need to put decoupling capacitor (about 100nF) on the power supply of the logic circuits. These capacitor must be placed as close as possible of the components. – Foxrider83 Aug 16 '17 at 08:05
  • 3
    I can't see a single bypass/decoupling capacitor in the design, that's the only big problem that stands out. The tracks at weird angles looks messy but doesn't stop things from working. And there are a number of minor things that you could do to make it better but probably don't matter e.g. Move the track to R5 away from R4 a little bit to allow the ground pour in that area to connect at both ends. – Andrew Aug 16 '17 at 08:30
  • I'm wondering if the antenna design is going to work out just like that or if you need to match the impedance somehow. I'm not an RF specialist, I only know that there are troubles around that area often enough. – Arsenal Aug 16 '17 at 09:55
  • 2
    @Arsenal - He is using a ready made RF module pcb. He isn't designing an on board antenna. It should work. However op still needs to be aware of ground plane and other components near the antenna which will come on the module PCB. – Whiskeyjack Aug 16 '17 at 10:51
  • @laptop2d Thanks for the suggestion. I have made some edits hopefully it is clear now. – Frank Donald Aug 17 '17 at 02:55
  • Thanks the link you provided helps :) @Andrew Thanks for your valuable feedback, I see what you mean – Frank Donald Aug 17 '17 at 02:59
  • Yes am using a Ready made PCB module, just prepared the PCB footprint of that module and used it here. @WhiskeyJack You mean to say that Antenna should be bit isolated from other components in the board? – Frank Donald Aug 17 '17 at 03:02
  • 1
    @Frank - Yes. When it comes to RF components like an antenna, special care has to be taken. There are special routing practices and a few things to be considered, lack of which might reduce the performance of your RF device. Read about whether you need to keep a GND plane below antenna or not. Or if you have a similar working board available from the market, take a look at how those boards have been routed near the antenna part. – Whiskeyjack Aug 17 '17 at 03:17

3 Answers3

1

Trying to answer your questions:

  1. Does the components are too crowded and difficult to make the PCB in real time?

The production of the (bare) board is independent on the component density. Assembling the board is another story. Depending on who/how you insert and solder components it may be faster/cheaper or not. But the boards are certainly not too crowded. I don't understand what you mean "in real time".

  1. In the receiver PCB, I have used two different PCB trace widths, Should i keep it uniform throughout the board? or it doesn't matter?

It doesn't matter, as long as you respect the manufacturers rules. I try to use the same width for same net classes. Power nets may be wider.

  1. Does using Via is bad for the design?

You try to avoid vias when you are unable to have plated-through holes, such as when you do your boards yourself (DIY). Any current PCB manufacturer will make you PTHoles. You may also want to pay attention to vias for critical, high-speed designs. In your case, the answer is no, vias are not bad.

  1. Any specific component in a board I should take high care when placing in the board?

You should pay attention to the antenna connector(s). Check with the module manufacturer for the suggested layout. Depending on the application you may want an SMA connector. The trace from the TX module to the SMA connector should be a controlled-impedance trace (same for the RX module). However, if you are as low as 433 MHz, a "short" track may be ok. But again, look at the module's manufacturer suggestions. This is important!

  1. How well does the top layer routing works with through hole components, I have heard that it will give trouble when soldering the components to the finished board Is that true, should i try and avoid that?

If you get a PTH board you will be able to hand solder the through-hole components at the bottom layer pads, even if the trace is on the top layer. No problem here. However if this is to be made at home, without plated-through holes then you have to think carefully. Resistors can be soldered from the top without damaging them but other components, such as IC sockets (or your capacitors) will be problematic (ICs can be soldered directly).

I will also add some final comments

  • On your first board I would move the trace labelled NS18 to allow the GND plane to enter the "black" zone

  • The use of only multiples of 45º orientations gives (me) a pleasant visual result. When I see traces at odd angles I don't like them.

  • IC3 and IC2 should be vertically aligned. Again this is just for the eye, but PCB design has a significant part of art.

  • Consider how you will mount your PCB. Mounting holes should be somewhere

  • The footprints for the resistors have the pads very far away. Check if 300 mils is enough for you

Petrus
  • 452
  • 3
  • 7
1

I don't see any mounting holes... how do you plan to mount the board inside the enclosure?

If you use an enclosure with rails to slide a board in, double check the width, and make sure there isn't a component close to the board edge which could get stuck.

Same if the enclosure has clips, or other kinds of gripping bits of plastic, make sure everything lines up.

You can print the board on thick paper, cut it with scissors, and check how everything fits together in the enclosure.

This is also a nice way to check footprints: put that barrel connector on the printout, check the pins align with the holes...

You should add a decoupling capacitor on the HT12E.

bobflux
  • 77,207
  • 3
  • 91
  • 222
0

You should look at as many actual RF layouts that you can find, and also look for general information on the techniques. There are lots of small details which have an impact, too many to try and list here I think. Vias, PCB material, controlled impedance would be my starting keywords for these sorts of searches.

Look at the example information provided by module manufacturers, and try and understand the purposes of all of their requirements.

Sean Houlihane
  • 3,753
  • 1
  • 17
  • 25