I'm considering purchasing a L297 IC to drive my unipolar motor, but when I look at the datasheet here , I can't make any sense of it. I've been working with an L293D, which makes a lot of sense because it has the logic supply, the enable pin, the power, outputs matched with inputs, etc. However, when I looked at the diagram, I couldn't figure out where to place the 4 coil wires and the common wires, and how to hook it all up to my Raspberry Pi. Any help would be appreciated.
Asked
Active
Viewed 457 times
-1
-
2You can't directly drive a motor with that chip. Does that help ease your pain? – Andy aka Jul 26 '17 at 17:25
-
1I am pretty sure a 3-word query on google would resolve your problem. – Eugene Sh. Jul 26 '17 at 17:25
-
If you look at the diagram on the front page of the datasheet you provided a link to you would see that it is not designed to drive the motor directly and needs a companion part such as the L298. – Kevin White Jul 26 '17 at 17:33
-
@Andyaka yes that's actually exactly what I was wondering thank you very much – NeonCop Jul 26 '17 at 17:58
-
@NeonCop Please write specific questions, a good specific question will generate good answers – Voltage Spike Jul 27 '17 at 17:27
1 Answers
1
I'm considering purchasing a L297 IC to drive my unipolar motor, but when I look at the datasheet, I can't make any sense of it.
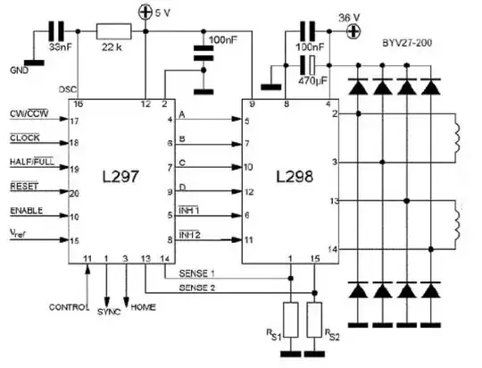
The first clue to what the L297 does is on page 1 of the data sheet: -
The L297 can be used with monolithic bridge drives such as the L298N or L293E, or with discrete transistors and darlingtons.
The second clue is the picture below: -
Notice how it interfaces to the motors via the fairly crappy L298.
If you are intent on using it may I draw your attention to this Q&A. It might contain useful information should you be thinking of using the L298 driver.
Andy aka
- 456,226
- 28
- 367
- 807
