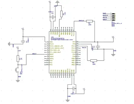
I recently created my own breakout board for a STM32F030R8T6 MCU. The attached image shows the PCB that I designed for it. There are no components, only top copper tracks that get connected to header pins that is connected onto a breadboard.
Procedure:
- soldered the MCU on the PCB board and tested it for any short connections etc...
- Plug the PCB board into the breadboard and connect all the power and ground pins, I added 100nf ceramic capacitors as close as I could to the PCB board.
- Connect all the 10k resistors acccording to the schematic diagram
- Once that was done, I continued to connecting my ST link/V2 to the board, I only connected pins SWIO, SWCLK, GND & NRST (I left the VDD pin and TVCC pin as I understand it is only there to detect voltage).
- Connected my power supply to the power rails and applied 3v.
- Connect ST Link/V2 to laptop and open ST utility and try to connect to target.
This is where my problem starts. It says the programmer is unable to connect to target. I have tried everything from changing frequencies and connecting the MCU under reset mode, but nothing worked. So I looked at my power supply and I noticed that the current was varying between 10mA to 0.4A. Strangely the power supply didn't display that there was a short circuit. This is when I took my good old multi meter and did a continuity test and realized that my VDD and VSS pins are shorting.
I am not sure if my MCU is fried or if my ST link/V2 is faulty?
Extra Info:
I have tried resetting the MCU but that didn't do anything. There was a short period where I was able to connect to the MCU but after 3 seconds the utility program will give me a error message that it has lost connection with the target and that I must check my power rails which I did repeatedly.
I would gladly appreciate advice and help as I have gone through 4 MCU and I only have 2 left.





