I don't know if this particular circuit/loop is covered in another question but I stumbled upon a video where a peculiar consequence occurs for the following circuit:
For the above circuit loop according to Faraday's law of induction one can write:
EMF = -dΦ/dt
And from the basic electric circuit theory for the current one can also write:
I = EMF/(R1+R2)
But since the same current passes through the resistors(KCL), something peculiar happens here.
Imagine the magnetic flux Φ starts increasing with a constant slope(which means EMF=-dΦ/dt is a constant); and during this time if we observe the voltage V1 across R1 by a scope between the point A and B, according to the logic the voltage across the points A and B would be current times the resistance which is I×1k Volt.
On the other hand, if we observe the voltage V2 across R2 by another scope between the point A and B, according to the logic the voltage across the points A and B would be again current times the resistance which is I×100k Volt with reverse polarity because of the reverse current direction.
Which yields: |V1| ≠ |V2| which are measured between the same points A and B at the same time.
How could this contradiction be explained?
Edit:
An MIT physics professor demonstrates that the Faraday's law does not hold in this situation and most interestingly he shows by an experiment in the video the voltages measured across the same nodes are different. In this video recording from 38:36 to the end he goes through all of these. But I have also encountered some other sources that his experiment is wrong. I also wonder if we experiment this, what would we observe? How can this be modelled as a lumped circuit(maybe using a current source)?
Edit 2:
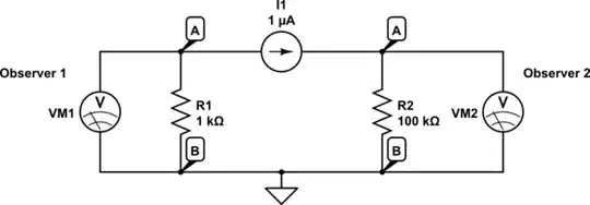
I guess the below circuit can be equivalent to what the professor says(?):

simulate this circuit – Schematic created using CircuitLab
Only in this case what he makes sense.. Observer 1 and Observer 2 will observe very different voltages across the same nodes A and B at the same time. I couldn't find another model to make it fit this into his explanation. Like a current source which also is a short as component(because in real there is no current source both two node A above are the same points physically in this case).




