4

According to the book Electrical Engineering 101, the open-loop gain of an op-amp can be very high, say 5000. When the difference of the 2 inputs is 1V, the calculated output can be as high as 5000V.

But if the op-amp is actually connected in to a circuit, the real output voltage is much lower than the calculated value. Say, it can be as low as 5V.

  • How is this open-loop gain measured? Do we use some kind of special voltage meter to measure the voltage across the output and the ground? But if so, it is not open-loop at all. It's kind of a dilemma. Or do I derail from the correct path of Electrical Engineering thinking?

  • What's the point of the open-loop gain if the actual output voltage can never be that high?

(I just want to expose my mental difficulties so that precise answer is possible. Hope I made myself clear. Thanks.)

some notes

(I am not quite familiar with some jargon in EE field. So I will collect them below as necessary.)

  1. I guess rail are the lines in the yellow rectangle since I see someone talking about rail-to-rail output. enter image description here
smwikipedia
  • 1,192
  • 2
  • 18
  • 35
  • 2
    High open loop gain (100,000 or 100dB is not unusual) is not there for a voltage that could not be achieved open loop, but rather to make the closed loop gain and stability behave predictably. See: http://electronics.stackexchange.com/questions/43217/open-loop-gain-and-closed-loop-gain-of-op-amp – Peter Smith Jun 19 '16 at 13:28
  • 2
    Keep reducing the input signal level until the output gets smaller than the square wave shown and resembles the input waveform. Now measure Vo/Vi. –  Jun 19 '16 at 14:55
  • 1
    Measuring operational amplifier parameters: http://www.analog.com/library/analogDialogue/archives/45-04/op_amp_measurements.html – Peter Smith Jun 19 '16 at 15:25

6 Answers6

5

•How is this open-loop gain measured? Do we use some kind of special voltage meter to measure the voltage across the output and the ground? But if so, it is not open-loop at all. It's kind of a dilemma. Or do I derail from the correct path of Electrical Engineering thinking?

Measurement of open-loop gain is (in principle) straightforward. You apply a very small input voltage and measure the output Generally, this is best done using a low-frequency AC signal, to allow distinguishing gain from offset. And while it's straightforward, that's not the same as easy. Shielding against noise pickup, particularly 50/60 Hz power line radiation, can be a challenge.

•What's the point of the open-loop gain if the actual output voltage can never be that high?

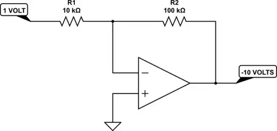
The answer is simply that the feedback network acts to keep the voltage difference AT THE OP AMP INPUT very small, typically in the microvolt to millivolt range. If you look at a simple inverting op amp circuit, for instance,

schematic

simulate this circuit – Schematic created using CircuitLab

if the op amp has an open loop gain of 1 million, since the output is -10 volts, the voltage difference at the input will be about 10 uV. In fact, it is the very small input voltage which allows an approximate gain formula $$G = -\frac{R2}{R1}$$ to be usefully correct, since the - input can be considered to be held at ground. Assuming a high input impedance gives identical currents in the resistors, and Ohm's Law then provides the voltages across the resistors.

But the heart of the matter is that a properly-working op amp will not, in fact, see more than a few millivolts across its inputs, or less if the open loop gain is very large. In your example of 1 volt into an op amp, the output will be stuck somewhere near one of the power supply voltages, and the term for this is "saturated output". This is actually quite useful when making comparators, but not so much for linear amplifiers.

WhatRoughBeast
  • 60,521
  • 2
  • 37
  • 97
5

In electronics engineering we often simplify our reasoning for "small signal" analysis where we consider that our circuit has lineair behaviour which means that we can sum signal intensities and therefore also multiply them with fixed values. The behaviour for a signal of 1V is then similar as the behavior for a signal of 1mV - we just need to divide by 5000.

Sure, there are "non-linear" limitations, one of them being the voltage supply. Therefore, you can not have a signal output of 5000V. However as we know that the output is 5000V for 1V in the "ideal case", then we know that the output is 2.5V for 0.5mV which can be a realistic case.

How is this open-loop gain measured?

First it is determined through simulation. The very small input differential signal can be easily compared to the output signal. So this is some kind of voltage meter, even if it is virtual. I am sure that there are also practical setups to verify it, but I can't remember them. Sometimes the measurement method is mentionned in the OPAMP specification.

The circuit does not have to be in open loop to determine the open loop gain. The open loop gain is present, even if the loop is closed. We can find the gain of the OPAMP by comparing it's output level with the difference on its inputs.

We also want to know the open loop gain at different frequencies and this is often depicted through the diagrams we find in a Bode plot that depicts the gain with frequency and the phase shift with frequency.

What's the point of the open-loop gain if the actual output voltage can never be that high

As indicated, we consider this in a "ideal" setup and we actually want this to be true for "actual" voltages.

Rail

The origin of this word is surely historic. In the beginning of electronics, there were no Printed Circuit Board. In fact, I have some radios where the electronic lamps are interconnected with wires going directly from one point to the other in the 3D space of the radio. As an improvement, some "rails" were added where the interconnection with the GND (reference voltage) could be made. This was surely also repeated with the regulated power. My current electrical installation still has rails for the earth, P and N connections. So the rails represented "ground" and "power". We still continue to call them like this. It's also a pratical way to imagine ground and power as two rails that "limit" the signal or are the boundaries of normal circuit operation. When drawing a schematic we can even start by drawing the ground and power line as horizontal lines and connect our circuit to them as required.

le_top
  • 3,181
  • 11
  • 24
  • In contrast to your opinion, for open-loop measurements the opamp must be operated in open-loop conditions because it is not possible to measure the differential voltage directly between both input terminals (in a closed-loop) with sufficient accuracy. And this is possible with a special feedback arrangement – LvW Jun 19 '16 at 15:46
  • When measuring a real OPAMP, I agree that measuring the voltage directly is "not possible", but in simulations it is. – le_top Jun 19 '16 at 15:55
  • Yes, of course. That`s true. – LvW Jun 19 '16 at 18:37
  • @le_top Many thanks for mentioning the history of rail. I have suffered similar difficulties trying to understand some jargon in fields like Mathematics. After I read some math history book, some of them are resolved naturally. As science and technology evolve rapidly, their history sometimes is neglected which makes present hard to understand. I do wish there are some resource about the history of EE explaining the motivation rather than solution. Just like this one about the history of Windows operating system: https://www.amazon.com/Old-New-Thing-Development-Throughout/dp/0321440307 – smwikipedia Jun 20 '16 at 02:12
3

Think about this in a reasonable manner. Obviously the opamp cannot output 5000 volts when it is connected to some smaller voltage power supply. So let us say that the opamp is connected to supplies of +5V and -5V. In the case of an ideal opamp this limits the output to not be more than +5V and not less than -5V. In the real world the opamp may get close to this in the case of rail-to-rail output types and for some other types could be inside each rail voltage by 1.5V (+3.5V to -3.5V in this example).

So when thinking about the open loop gain consider this output range in the thinking. Discard the idea of having a 1V difference at the input and consider instead a difference of 0.5mV (0.0005V). In that case with a 5000 open loop gain the output would instead be within the achievable range at 2.5V (or -2.5V if the input difference polarity was changed).

Michael Karas
  • 57,328
  • 3
  • 71
  • 138
2

Let the open loop gain be A(s) and consider the following for a source follower, enter image description here

We know that the closed loop transfer function H(S) would be H(S)= A(s)/(1+ K*A(s)). For a source follower the k which is the closed loop parameter which is 1 so the formula becomes H(S) = A(s)/(1+ A(s)) and we know that the output must follow the input as closely as possible in the source follower configuration. Which means that the gain of this system is 1.

In the equation mentioned above this is only possible if the A(S) is as big as possible. So in order to obtain accurate responses in the feedback mode the open loop gain must be as big as possible.

For your first question on how the open loop gain is measured, when you have a source follower mode your output is not exactly the same as the input as it has slight variations. This variation is because H(S) is not ideally equal to 1 but to some other value because if you see in the equation above the closed loop gain is 1 only if the open loop gain is infinite. So this variation in the closed loop gain can be seen in the oscilloscope with the output signal not being the same as the input and the open loop gain could be estimated from this.

Bhuvanesh Narayanan
  • 1,057
  • 2
  • 13
  • 23
1

The simplest model that we are taught to understand how to use op-amps is to say that 'the op-amp drives its output to whatever voltage is needed to get the input terminals to the same voltage via the feedback components'. And it's a pretty good model.

To make that model work well, we need the input voltage to be 'nearly zero' under all conditions. That's achieved by having the open loop gain 'very large'.

This gives a clue for one way that it could be measured, conceptually at least. Arrange the op-amp as a unity gain buffer. Set the input voltage (and therefore by opamp action the output voltage) to V1, and measure the voltage difference between the inputs, call it d1. Do the same for V2. The open loop gain is now (V2-V1)/(d2-d1). You may need a rather good meter to measure d.

Neil_UK
  • 166,079
  • 3
  • 185
  • 408
1

"How is this open-loop gain measured?"

"What's the point of the open-loop gain if the actual output voltage can never be that high?"

As for each amplifier, the open-loop gain is measured as the output-to-input voltage ratio . However, because of the very high gain value some special (tricky) considerations are necessary (DC offset compensation or very-low frequency feedback). More than that, for most opamps the open-loop gain begins to reduce for very low frequencies already (50...100 Hz). Therefore, the frequency-dependent gain is of great interest (magnitude and phase). Of course, it is always necessary to remain within the linear amplification range of the amplifier (input levels low enough).

As to your second question (which I don`t fully understand): Each amplifier has an upper limit for the output voltage. If the output voltage is clipped (supply rails) the input voltage must be reduced correspondingly - sounds logical, does it not?

EDIT/UPDATE

I think, up to now, you did not get an answer to your question "How is the open-loop gain measured?". Well - here I give you a test set, which was used by my students with success for this purpose.

Please note the voltage divider at the input. So you have to add 40 dB to the measured gain. The shown feedback path provides dc feedback for allowing an operational DC point within the linear amplification range of the opamp. The DC output voltage (operational point) will be app. Voff*1E3.

However, due to the feedback capacitor, the gain measurement will be correct above a corner frequency of app. 5 Hz (which will be the gain for DC also). For higher frequencies we have practically no feedback (open-loop measurement). For all measurements, it is best to use a gain-phase meter (eventually, with an output coupling capacitor). Watch the correct shape of the output signal (sinus) due to the limited slew rate of the amplifier.

schematic

simulate this circuit – Schematic created using CircuitLab

LvW
  • 26,610
  • 3
  • 23
  • 56