I want to have a LED light up when a load is in circuit, and go out when it is not.
Initially I set the circuit up so that the LED is in series with the load but this didn't work. I think possibly because the voltage drop across the resistor was too high. I could adjust the input voltage to match but I'm not sure I entirely understand the impact of doing so, especially given that the load might be variable.
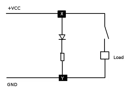
It occurred to me that maybe I can use a transistor in positions X or Y in the diagram, but I have no idea what type of transistor to use or which pins I should connect where.
Ideally I'd also want to have a diode in series with the load to protect the supply against any voltage coming back the other way, how can I work out how much to increase the supply voltage by to compensate for this? (And can I just use the LED here after all?)
If it matters the load is a bunch of cells to be charged (4x 3.7v Li-on hooked up in parallel for charging, or series when in use)
+VCC is currently 4V but I can adjust this.
EDIT: I've just realised that actually I can just move the"switch" after all, despite previously stating that I couldn't Basically there are spare pins on the plug that I can use for this purpose.




