- Why does current flow from positive to negative when electrons flow
negative to positive? I thought current was the flow of electron.
Current flow convention was established before the discovery of the electron. There was a 50/50 chance of guessing right. They didn't! We still use the positive to negative current flow convention but keep in the back of our minds that the electron flow is the opposite direction.
- I think question 1 will answer this but why do you need to connect
both sides positive and negative in order to power something? e.g., LED.

simulate this circuit – Schematic created using CircuitLab
Figure 1. Open-circuit.
The current flows in a circuit. If you think of your LED example, the battery can't supply charge without it returning to the other terminal otherwise it would gain or lose electrons with the imbalance getting larger and larger. The atoms wouldn't like that!
The other problem with your idea is that we would never be able to switch anything off!
- Why does voltage keep on rising and falling in an ac circuit?
By definition it is alternating polarity. The alternation occurs 'naturally' in many rotating machines such as alternators. As the windings move through the magnetic field the voltages and currents rise and fall as the sine of the angle between the winding and the magnetic field. The pattern repeats on each 180° but in the opposite sign (polarity).
- I heard that ground is basically the negative side of the power source
as it has 0 volatage(potential) but I thought when powered by a 1.5
volt battery the entire circuit had 1.5 voltage all around.
When surveying the land a surveyor has to pick a reference height which is his 'zero' or datum. The height of every other point is measured above or below that. She can, if it suits, use sea level as the standard reference.
In an electrical circuit we pick some point as being zero or ground. Usually it's the battery negative (as on a car electrical system) but it can be the positive (famously on the old 6V VW beetle) and in some cases we need a split-rail power supply and we can call the centre one 'zero' and have a '+' and '-' with respect to that.

simulate this circuit
Figure 2. Voltages around a circuit.
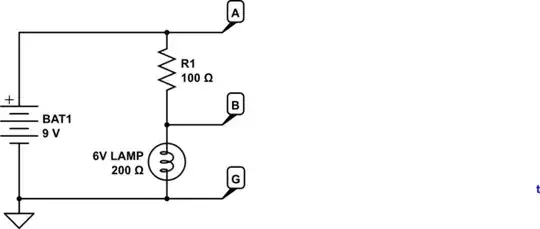
Here we have a simple circuit. We wish to power a 6 V lamp from a 9 V battery. If we connect the two up directly the bulb will blow because too high a current will flow. By adding a series resistor we can limit the current to the lamp to a safe value. We've put in a 'ground' symbol on the battery negative to signify that we're referencing our measurements from that point. 'A' will read +9 V relative to circuit ground. 'B' will read + 6 V with respect to ground because of the divider effect of the 100 Ω and 200 Ω resistances. 'G' will read 0 V. In your 1.5 V battery example you will have similar setup and you won't get 1.5 V 'all around'.
Finally, if the circuit common is connected to earth (as in The Earth) we take that as a real zero volts, in much the same way as the surveyor might use sea-level as an absolute reference.

Figure 1. The building on the ground and shot off into space. In the space situation (electrically isolated) we can call any floor the 'ground' floor.