I only have 3.3 DC Voltage on the pin of PCB and I want to supply a chip 5V. What are the ways to manage this?
PS: The voltage on the pin is always 3.3 V and max current on it can be 50 mA.
I only have 3.3 DC Voltage on the pin of PCB and I want to supply a chip 5V. What are the ways to manage this?
PS: The voltage on the pin is always 3.3 V and max current on it can be 50 mA.
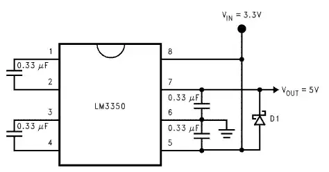
Use a boost converter: -

OR

OR

Try searching for "boost converter 3V3 to 5V"
As @Andy aka says, you will need a boost converter to get 5Volts from the 3.3V that you have.
You say you also need to send that 5Volt chip a signal, so you may also need the level shifter as mentioned by Sada93.
Whether you need the level shifter or not depends on the chip that you are using. Some chips that run on 5V can also accept 3.3V logic levels, but many can't.
It also depends on whatever is generating the 3.3V signal - it may not like having an output connected to an input that could float up to 5Volts.
There are tricks that you can use that may make the level converter simpler (just a diode and a resistor, for example,) but that depends on what the signal does and how fast it has to switch and what voltage levels will be detected as high/low.
After posting, I see that the answer from Sada93 has been deleted. See this related question for info on level shifting.