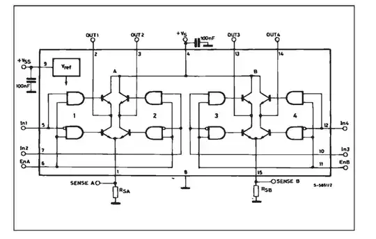
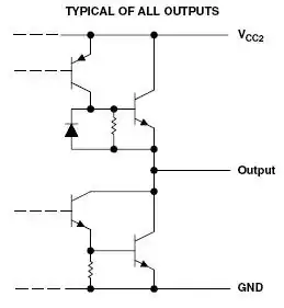
I recently took another look at the L298 since some students were having problems (due to the commonly discussed high V_CE-on of the combined high side and low side drivers). One thing that struck me as weird is that the L298 uses NPN transistors as both high side and low-side drivers.
How does the high-side driver actually switch when VB < VE < VC? For example, if Vs is 40V and Vss is only 5V, the base (as the diagram is drawn) is lower than both collector and emitter voltages, so I don't see how the high-side transistors are doing anything (other than maybe pulling the load up to ~4V and getting hot). Is there some base-drive logic that's not drawn in the diagram? I was thinking that it's possible the high side AND gates are actually open-collector, so that normally they would be pulled up to Vs through an internal resistor which is not drawn. That would sort of work - but in that case, the current gain is still limited by the inherent diode drop in the transistor, which also would change depending on the load current...
Is there a good analysis of the actual operation of the L298 h-bridge? It seems to be more complicated than it looks.
I've attached the diagram from the datasheet for convenience.
