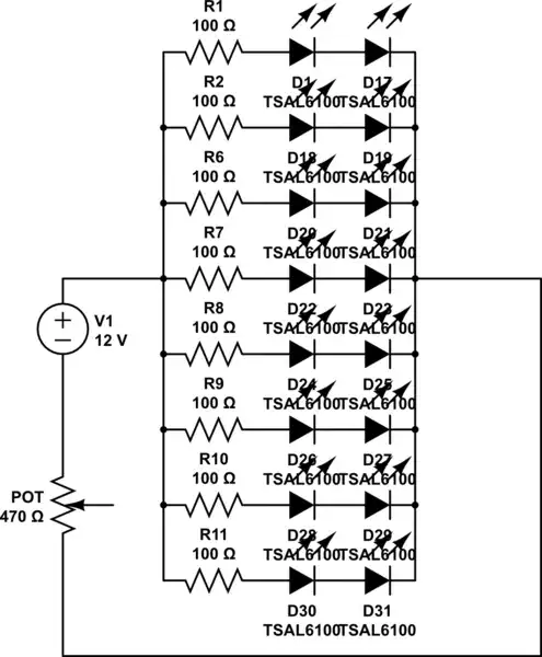
I'm trying to dim a 12V LED lamp (LEDs specification here however schematics have the real values...) I've build for a video lighting application. My initial thought was to use a potentiometer but it seems that the power consumption of the lamp (7.56 W measured with a multimeter) is to high for a standard potentiometer. Unfortunately I can't found the specification of my Omeg 470 Ohm LIN.A potentiometer so I've tried it and now I think is burnt.

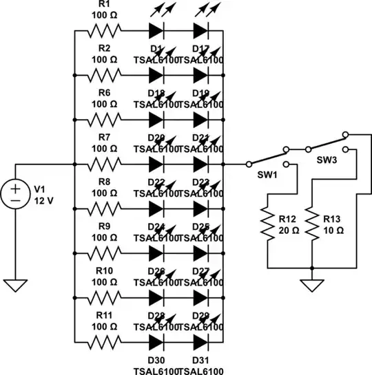
simulate this circuit – Schematic created using CircuitLab
The lamp is for video lighting, I'm using a camera with a 30-60 fps so I don't know if a can use a Pulse-width modulation because I think it can cause a flickering effect in the video. Further more is for a radiometric experiment and I would like to have a stable output but answer for decent result are however welcome. What are the possible alternatives? Is true that:
LED’s cannot be dimmed using resistive dimming; it will slowly damage the LED’s.
?
Please note:I'm not interested in power consumption, because is not for standard lighting...EDIT: Answers involving Pulse-Width modulation are welcome if they works for this application






