Why is the order reversed on measurement?
from qiskit import(
QuantumCircuit,
execute,
Aer)
from qiskit.visualization import plot_histogram
# Use Aer's qasm_simulator
simulator = Aer.get_backend('qasm_simulator')
# Create a Quantum Circuit acting on the q register
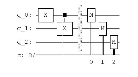
circuit = QuantumCircuit(3, 3)
# Add a X gate on qubit 0
circuit.x(0)
# Add a CX (CNOT) gate on control qubit 0 and target qubit 1
circuit.cx(0, 1)
circuit.barrier()
# Map the quantum measurement to the classical bits
circuit.measure([0,1,2], [0,1,2])
# Execute the circuit on the qasm simulator
job = execute(circuit, simulator, shots=1000)
# Grab results from the job
result = job.result()
# Returns counts
counts = result.get_counts(circuit)
print("\nTotal count:",counts)
# Draw the circuit
circuit.draw()
Got result:
Total count for 00 and 11 are: {'011': 1000}
But I'm expecting '110'.

