In a viscoelastic medium, the total strain can be assumed as the sum of elastic strain and inelastic strain (ref1,2):
\begin{align} \label{eq1} (1): \mathcal{E}^t_{ij}= \mathcal{E}^e_{ij}+\mathcal{E}^i_{ij} \end{align}
The inelastic strain is a kind of eigenstrain which is stress-free (ref3). So, the elastic stress (Cauchy stress) can then be derived linearly as: \begin{align} (2): \sigma^e= C_{ijkl}\mathcal{E}^e_{kl} \end{align}
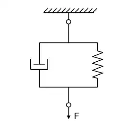
However, one can simulate the the rheology by a Kelvin-Voigt model,
In this form, the elastic strain is equal to the viscous strain, does this contradict equation (1)? Is there any difference between the inelastic strain in equation (1) and the viscous strain in the Kelvin-Voigt mode?
Besides, if we want to calculate the effective viscosity (stress divided by strain rate), we may only use the inelastic strain rate of the system (excluding the elastic strain rate), but for the stress, should we use the elastic stress or total stress or the stress only related to the inelastic strain in the Kelvin-Voigt model? Or, in real material, the elastic stress is the total stress and there isn't any 'inelastic stress'?
ref1. Andrews, D. J. (1978). Coupling of energy between tectonic processes and earthquakes. Journal of Geophysical Research: Solid Earth, 83(B5), 2259-2264.
ref2. Barbot, S., & Fialko, Y. (2010). A unified continuum representation of post-seismic relaxation mechanisms: semi-analytic models of afterslip, poroelastic rebound and viscoelastic flow. Geophysical Journal International, 182(3), 1124-1140.

