Stack Exchange
Physics Stack Exchange
Questions
Tags
Users
About
Physics Stack Exchange
Public
Questions
Tags
Users
About
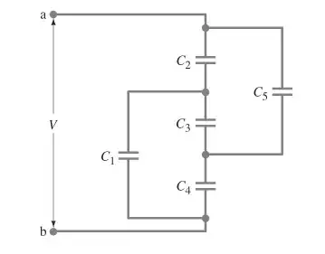
What is $C_\mathrm{eq}$ for this circuit?
Asked
Mar 13 '20 at 16:27
Active
Mar 13 '20 at 16:34
Viewed
27 times
0
What is
$C_\mathrm{eq}$
for this circuit?
I don't even know how to approach such a problem.
homework-and-exercises
electric-circuits
capacitance
edited Mar 13 '20 at 16:31
Qmechanic
220,844
asked Mar 13 '20 at 16:27
xorji
1
0 Answers
0