I am having a hard time studying optics. My main difficulty is how images are formed.
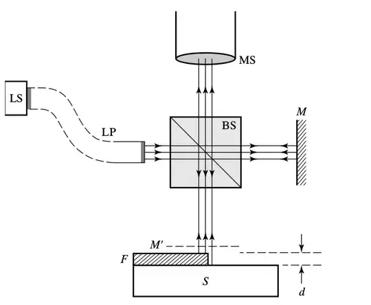
In Pedrotti's Introduction to Optics, he shows a diagram of this experiment:
According to the diagram, all light rays here are parallel. I think I understand the interference phenomenon that is going on here, however, I don't understand how this phenomenon is observed. The diagram shows a microscope gathering all these parallel light rays. As far as I understand, these light rays emerge parallel to each other on the other side of the microscope. An eye would focus these parallel rays on a single point on its retina. Meaning that the observer sees a point of light, leaving out the possibility of observing the interference pattern.
I can imagine that if you put an opaque surface in place of the microscope, that the pattern becomes visible, but it's not mentioned anywhere how the interference patterns have been imaged using a microscope.
Update
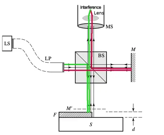
According to Farcher's answer, to obtain the interference pattern that is later seen in the book(using the setup in the diagram) the virtual mirror must be tilted. I drew a diagram following the path of some light rays coming from a single light source S and concluded that after division the rays are intercepted on some point X. If the incident light ray points to the right of the source, X is above M', otherwise, it's bellow.
However, Farcher also noted that there are multiple light sources. So I decided to simulate the propagation of light from multiple sources using numpy's geometry module. The result was this graph
The points on the y=10 line are a sample of the set of light sources. The tilted line is the virtual mirror M'. Each light source draws a curved line, by the method illustrated in my diagram. Here, a curved line is the set of all the X's that a given light source 'generates'.
It's my understanding that these points are acting as objects, the microscope takes their rays and focuses them, forming a real image where interference occurs once more.
I still can't make the connection between all of this and the interference pattern that Farcher showed in his answer.





