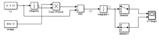
I'm trying to understand the equations that govern velocity in a rotating reference frame... \begin{equation} v_i = (\frac{dr}{dt})_r + \Omega \times r . \end{equation}
I'd like to build a simple simulation of a rocket taking off from earth with some constant inertial velocity, say: $v_i=[1,0,0]^T$.
I assume some $\Omega$ value to represent the rotation of the earth about z, say $\Omega=[0,0,1]$.
And then solve for the percieved velocity in the rotating frame: \begin{equation} (\frac{dr}{dt})_r = v_i - \Omega \times r . \end{equation}
What I expect, after integrating velocity into position, would be an outwardly rotating spiral showing the relative position of the "rocket" to an observer in the rotating earth frame. What I see, from a simple simulink sim, is quite different.
My sim:

The output:

Thoughts?