I have a 2012 Ford E-350 cutaway with a Starcraft Allstar bus body (70k miles). The front AC is the OEM Ford equipment, and the rear AC is from Trans/Air (I don't have exact model numbers, but I'm looking for them). There are two compressors driven by the serpentine belt, one for each unit.
The front AC has not worked for several years (at least), but we ignored that because the rear unit is more than powerful enough for the entire vehicle. Now the rear unit is also not cooling. (Most of the rest of this question will focus only on the rear unit.)
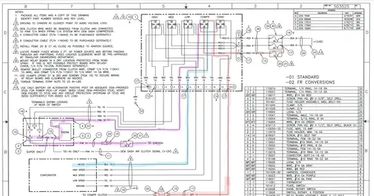
The rear unit is controlled by two knobs (fan speed and temperature) on the dash, which are connected to a set of five relays in the bus electrical cabinet above the driver's head. The five relays are, in order: fan high, fan medium, fan low, compressor clutch, and condenser fans. (The fan relays are all controlled by the fan speed knob, and the remaining two relays are controlled by the temperature knob.) I have verified that all five relays function properly, but the compressor clutch does not engage.
Listening very carefully (with the engine off to make it easier to hear), I turned the thermostat knob back and forth to listen to the relays. As shown in the wiring diagram below, the pink wire (highlighted purple here) triggers the condenser and compressor relays. I only hear one relay click when I turn the knob, even though I expect to hear two clicks. I know the condenser relay is coming on, because I hear the condenser fans, which means the relay that is not coming on is the compressor relay. (As noted above, I have tested the relay itself and verified that it is working. I have also checked the fuses.)
My first assumption was that the high/low pressure switches (labeled "HP/LP" in the diagram; connected via the blue wire) are preventing the compressor from turning on (by not providing power to the relay). I further assumed that this would be low pressure due to a refrigerant leak, given the age of the vehicle.
I tried to add refrigerant using an AC Avalanche recharge hose and some R134a with stop-leak. (My plan, if this worked, was to use it as a stopgap measure until I could schedule a proper service to fix the leak in a few weeks.) However, the system did not actually take any refrigerant - the can did not get any lighter, and the "pressure check" button did not pop up on the end of the hose.
Thinking that maybe I was doing something wrong or there was some kind of blockage in the system, I then tried to recharge the front (Ford OEM) AC, with the same result - the can can feels just as heavy, and the button never popped up.
At this point, I can think of several possible reasons that I've had no success:
- Despite following the directions exactly, I'm doing something wrong.
- Both systems are fully pressurized, and there's something else wrong.
- These systems both require so much refrigerant that this 12oz can can't provide enough pressure into the system to raise the pressure enough to start the compressor.
Short of taking it to someone who has a proper AC recharge machine, is there anything else I can do to try to diagnose/repair this issue?
