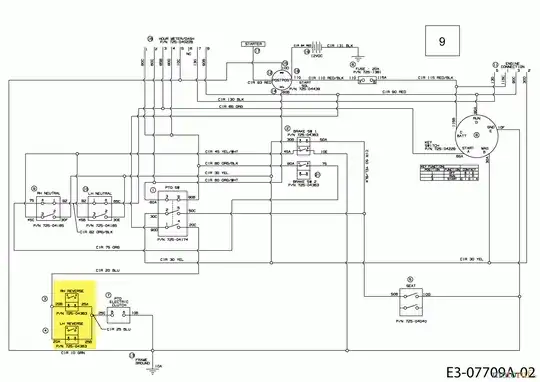
I have a Cub Cadet RZT 50 Ride - on Mower.
I am having issues with the PTO clutch (magnetic clutch which engages the belt driving the mowing table under the footrest).
I have tried engaging it with a spare battery directly, and that worked so I measured the voltage at the plug which (when you are sitting on it) can be engaged by pulling on a switch. That measures 12v, so the correct voltage is getting down there, but I assume not enough amps.
I also noted that the fuse holder had melted (the plastic - not the metal) ther was a 20A fuse in there when I got it, so I replaced it with a similar one. Should that have an impact on the clutch not engaging?
Edit: further inverstigation
I did some further checks of the electrics: (uploaded a video) the indicators for clutch engaged and parking break not engaged work as expected. But measuring the voltage while fiddling with the different contacts are all over the place.
The 12v I measured earlier dropped as low as 4v and my auto-sensing voltmeter even thought it was ac instead of dc... I assume that the fuse is not the issue...



