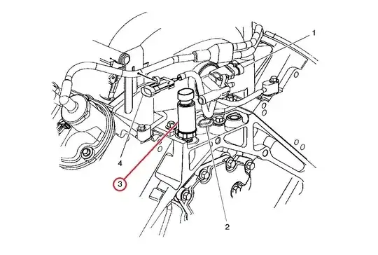
My 2005 Chevy Tahoe has an Oil Pressure gauge. The needle usually sits to the far right on a value of 80. Recently it's started randomly dropping to 0 and as expected, the car's oil pressure alarm triggers and chimes. A few minutes later it will pop back up to the max of 80. When it moves between these two points it does so quickly.
In researching what causes oil pressure to drop to zero I found that there were generally 3 items: (1) low oil (2) malfunctioning oil pump (3) malfunctioning gauge or gauge sensor. The car's oil was replaced within the last 2 weeks and the dipstick shows full so I rule out 1.
My question: Please can you explain how the Oil Pressure gauge works on this type/era of car. My objective is to be better armed at understanding the impact of this aspect of my car in the context of what's currently happening.
(I have every intention of taking this to the service station to be checked/repaired as soon as I'm able.)
