I found the third brake light burned out, will this cause all brake lights not to work?
Asked
Active
Viewed 5,902 times
3 Answers
2
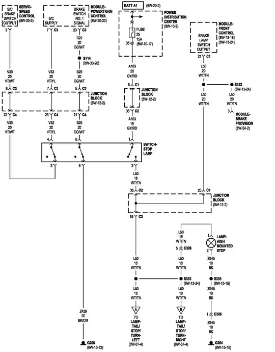
Brake lights are wired to work independently for safety reasons. If none of the lights are working, the first thing to do is check all the bulbs are good. No reason to start chasing wires if the bulbs are bad.
If all the bulbs are good, check fuses. If fuses are good, use a multi-meter to check for power at the light socket.
If no power, then check the brake light switch by the brake pedal.
Most common cause of these problems are bulbs, fuses, or the switch.
CharlieRB
- 9,015
- 20
- 32
0
No, if the third is not working as it has blown then the others can still work if the supply, switch and fuse are all ok.
If none of them work, you have to check fuse, supply to switch, supply from switch and feed to the rear.
Solar Mike
- 34,681
- 2
- 30
- 59
