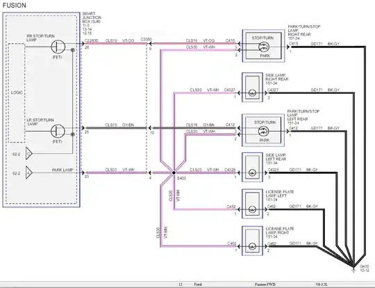
RE: 2014 Ford Fusion Titanium Driver side fender mounted tail lamp. Outer LEDs not lighted. Could you re-post the wiring diagram for 2014 Fusion?
Asked
Active
Viewed 3,718 times
1 Answers
1
I only have 2012 info, but perhaps it helps.
However, if only part of a LED lamp is not working, the issue is likely a failed tail lamp assembly, which is probably not easily repairable. Is it the entire running lamp section that isn't working, or just some LEDs around the outside? Do the brake lights and turn signals still work?
Try turning on the hazard lamps and observe what works left vs right.
SteveRacer
- 12,432
- 2
- 26
- 47
