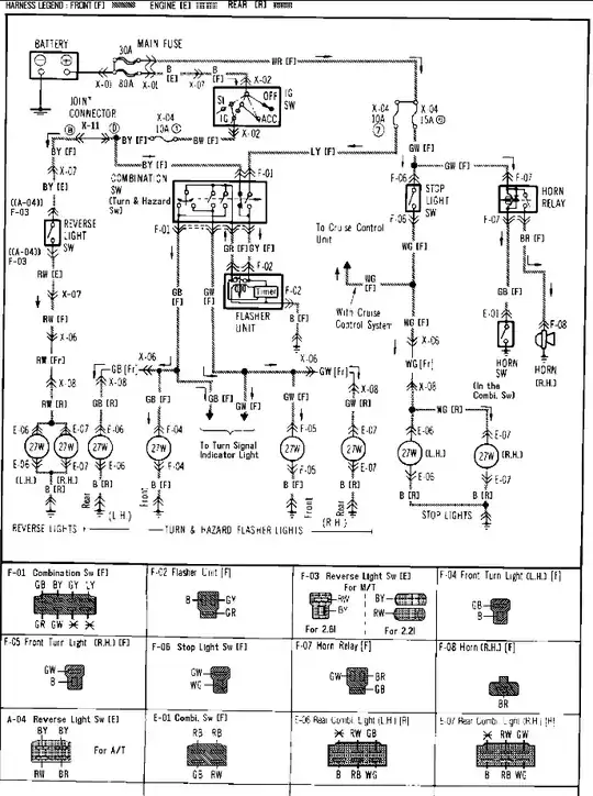
I am wondering where the turn signal flasher for a 1987 mazda b2000 is located? My turn signals don't work, but my hazard works. Is there a separate relay flashers or, is it a fusable link?
Asked
Active
Viewed 3,191 times
1 Answers
1
Could be as simple as a fuse. (NOT a fusible link.)
The hazard system is on a separate fuse that allows operation even with the ignition off.
Do the reverse lights work? That's an important clue.
If the hazard lights flash, it's not the flasher module.
Here's a wiring diagram that should be very similar to your truck:
SteveRacer
- 12,432
- 2
- 26
- 47
