I have a 2003 Mitsubishi Galant with 251k miles on it. I recently changed the oil pan gasket to fix a leak and as I normally do, I pull the negative terminal on the battery when I'm doing just about any repairs as a habit.
Unfortunately, the keys had been left in the ignition in the on position, which I didn't realize. When I reconnected the battery I heard something like crackling noises for a few seconds. When I tried to start the car I realized what had happened and the car cranks over, but won't start. I traced it back to no spark at the spark plugs.
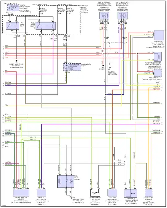
I found an Ignition Coil & Crank Sensor Test for the Mitsubishi 2.4L I thought it was the crankshaft position sensor issue. It passed the power circuit test #7, but it failed the ground test #8 showing 1 volt and failed the signal test #9 showed 5v the entire time I did this test and never dropped voltage as I manually turned the engine (with the ignition coils disconnected as the test indicated). So I replaced the crankshaft sensor.
Also, I found the engine compartment fuses (called the power distribution box) appeared fine, but only the last two showed voltage, so I obviously have some electrical problem still remaining. Looking at the picture, the last two fuses yellow/blue, at the bottom of the picture, are the only ones showing voltage. I couldn't find any bad fuses from a visual inspection.
After doing some reading, having a cranking engine that won't start can sometimes be the CKP sensor or the ECM is bad.
Since I was able to find an ECM online that matches my car, I found a way to see if bypassing the old one with a new one will allow the car to start. However, this is not the issue as the car still won't start. I did find it's throwing a P0335 Crankshaft Position Sensor pending code, but as I replaced that sensor it appears to be a false positive.
Any other ideas as to how to proceed next?





