I am trying to connect to an ABS pump taken from a 2012 GMC Canyon interchange part number: 545-00579. Since this is not an aftermarket part, ATE the manufacturer of the controller hasn't been forthcoming with information, and I am at a loss on how to connect this module to the truck (retro-fitting a Canyon with an electric drive system) I'm working on.
1 Answers
This is the sort of thing that you probably can't practically "determine" (as in methodically meter the pins on the device to determine their purpose). So you'll need to find a source of the connection information.
One place where you can almost certainly get this information is by looking at the schematic for the vehicle the pump came out of. It will almost certainly show the pin assignments in the connector for the pump and the wires leading there could be traced back to their associated components – assuming that the "smarts" are in the pump.
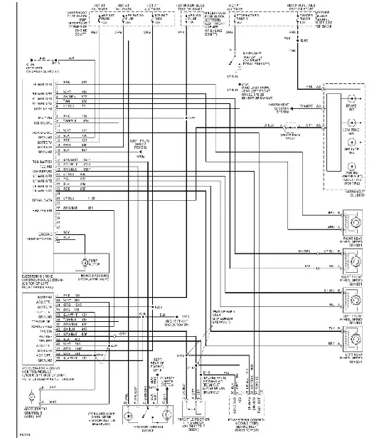
Searching on "2010 chevy colorado wiring diagram brake abs" lead me to this:
Which I found here.
I'm not convinced that it is the right schematic for your truck, but it shows what you might expect to find. The connector on the center left appears to be the ABS plug and the connections look to be relatively straight forward. There is also a mis-named PDF for a Bosch ABS manual at the bottom of the page. If you download the manual, just save it and rename the file with an extension of .pdf.
I wish I knew more about GM vehicles so that I could say more about how useful these particular documents are, but in general, I think the approach is likely to work.
- 14,506
- 8
- 52
- 85
