7

I have a '95 Chevy S10 4.3 liter V6 Vortec. There was oil in my radiator so I replaced the intake gaskets.

But, it has started doing it again.

I changed the oil last week, but I now I'm about a quart low and am starting to get oil in radiator again.

  1. What could be causing this?
  2. How do I diagnose this?
dlu
  • 14,506
  • 8
  • 52
  • 85
David
  • 71
  • 1
  • 1
  • 3

7 Answers7

5

The problem, in general, is that there is a leak between the lubrication system and the cooling system. There are only few obvious where this can happen:

  • One is at the head gasket where oil can leak across the top of the head to the water passages (or into the cylinder or out the edge of the gasket) if the head isn't properly torqued of perhaps if there is corrosion in the cooling system. Or the gasket could just be failing.

  • Another is in the oil cooler, if it is an oil-to-water heat exchanger. Cooling system corrosion could lead to pin holes that would allow oil into the cooling system.

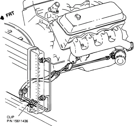
In terms of the time and work required you might want to start with checking out the oil cooler possibility first. I found this image in which it looks like the oil cooler is incorporated into the radiator on the left hand (driver's side).

enter image description here

dlu
  • 14,506
  • 8
  • 52
  • 85
2

You probably need to replace the head gaskets. The oil pump when functioning properly makes much more pressure than the coolant system. As a result, when the head gasket fails, oil can make its way into the coolant system. But not the other way around. The good news is since your oil is not contaminated with coolant, there should be no actual engine damage provided you replace the head gaskets soon.

Eric Urban
  • 1,286
  • 3
  • 12
  • 29
2

This engine is a single in block cam engine so there should be no high pressure oil going to the heads across the head gasket. If the head gasket was blown you would get the classic water in oil and not oil in water.

The radiator on these are a single unit containing the engine cooler and a transmission cooler, if you have an automatic transmission. Both the engine oil and trans oil passing through the radiator should be higher pressure than the water which is good news for you, there shouldn't be water in places it can damage, oil in water doesn't do much. This is also the only point where they are close to mix if there was a break and has potentially higher oil pressures than the coolant pressure.

thoroughly check for any cracks or damage around the fittings on the radiator. If you want to go crazy you can hook up some test line to the oil inlet, plug the outlet, hook up some compressed air, and see if you hear hissing inside the radiator.

I am pretty confident it is your radiator though.

If it is not your radiator the only other place that higher pressure oil and water could mix is by a very strange crack in the block that only goes between a high pressure oil spot and somewhere that there is coolant. I give this a almost completely unlikely chance but stranger things have happened.

A side note: you may also want to check your trans fluid if it's an automatic. see if it's low or milky.

Cc Dd
  • 2,879
  • 2
  • 13
  • 31
0

Assuming that you might be loosing oil out of the block as well as into the cooling system, I have a couple of suggestions:

  1. Clean the engine and your usual parking spot so that you can see new signs of oil leakage.

  2. Considering putting some fluorescent dye into the oil, when you illuminate dyed oil with a UV light like this it glows which makes it easier to find the source of the leak (and to identify new leaks vs. old ones). Here's a video of using the dye.

dlu
  • 14,506
  • 8
  • 52
  • 85
0

If you have oil in your radiator but no radiator fluid in the head, then you more than likely have a crack in you're radiator. Your truck (same as my husbands) has an oil cooling line that runs through the radiator. Its mixing there. Flush out the system and replace your radiator.

0

1995 Chevy pickup I was starting to find oil in my radiator everything was rebuilt the right way so I flushed it out putting new antifreeze. Two weeks later it started doing the same thing. I started seeing more and more oil, so I checked my oil and it was running low.

I finally realized that the radiator was leaking the oil inside the radiator and that's why my oil was low and there was oil inside my radiator. I replaces my radiator and the problem was solved after I finish flushing out the engine.

Nick C
  • 28,941
  • 8
  • 56
  • 109
0

(1) We'll check coolant level. It's low or stable. And checked coolant color's changed or not. (2) We'll observe that your engine happens overheat or boils before. (3) We'll see that coolant color changes such as engine oil in radiator if engine oil cooler cracked or gasket isn't good. (4) Engine head, engine block, head gasket, cylinder liner, cylinder liner seal need to check when coolant level is low such as coolant drops to oil sump during operation.