I have a 2005 Mazda 3, and I have located both the interior and exterior fuse box. Neither one of the fuse boxes have relays in it concerning the power windows. Does anyone know where they are on this car? I think I need to replace one to get my window to go back up.
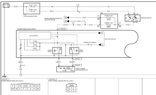
UPDATE: Is this circuit diagram telling me that the relays for my power windows are in the main switch on the driver side (diagram courtesy of AutoZone saying it is for my Mazda 3 2005)?

