My first thought is your ground wire to the trailer is not large enough causing a voltage drop to the rear battery.
However after some research turns out your alternator is controlled by the PCM and is basing it's output on the truck battery which you have disconnected from the alternator. It keeps increasing the alternators output but never sees the batteries voltage increase so it keeps increasing the output which is causing you to see the 18 volt reading.
But it could also be an issue with how you have wired it up. One thing that is particularly concerning to me is that depending on how you have wired it you may be causing a voltage spike in the system when you are switching between batteries, enough of a spike that at least in theory could damage one of the computers on the vehicle.
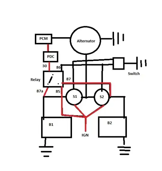
Please post a wiring diagram of how you have wired this up and where exactly you have tapped into the Jeep system and installed solenoids.
Also I am not sure why you want to charge the batteries separately. If you have a specific reason for this let me know and I will give you another way than the way I am suggesting below.
You're best option IMHO is to use an charging relay, or battery isolator. I don't like using the battery isolator because they have voltage drop across the isolator of around 0.7 volts. Charging relay does not.
The simplest way is to have one relay that comes off of the positive post of the main battery and runs to the rear battery positive post. The relay is activated by ignition power so when the vehicle is off the batteries are not connected together, that way the trailer battery can never run down your vehicle battery. When the vehicle is running (well ignition turned on) the batteries are connected in parallel and the alternator will charge them at the same time.

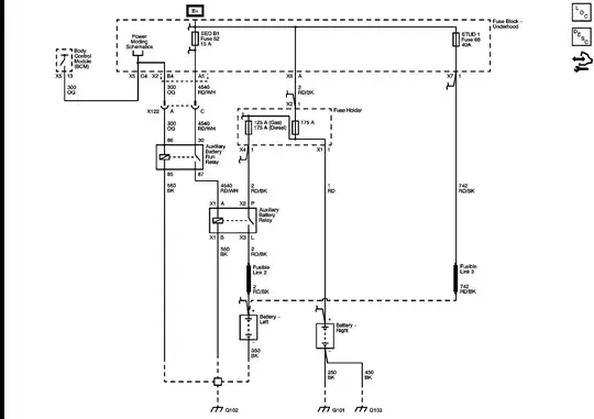
This is similar to what GM does with Auxiliary batteries in trucks with options for the slide in campers.
Here's the wiring diagram for one of them

You can also use an automatic charging relay that will only allow the trailer battery to be connected to the vehicle when the vehicle is running.