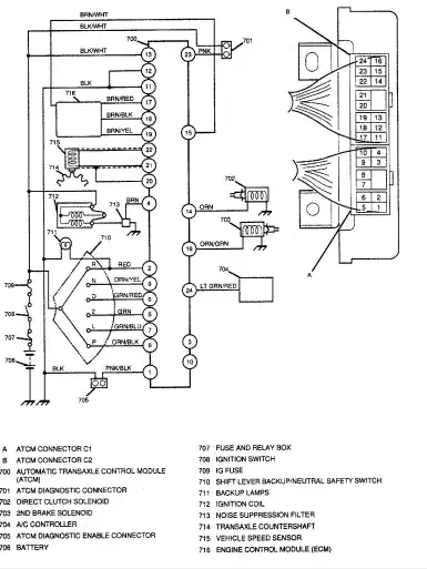
My 1992 Geo metro with automatic transmission does not shift automatically, but it works fine shifting manually. The transmission shop check says the transmission is fine.
My 1992 Geo metro w/auto transmission does not shift automatically, but works fine shifting manually
Asked
Active
Viewed 1,012 times
1 Answers
1
That transmission stores codes for troubleshooting purposes. I suggest you get the codes read first to see if this helps diagnose the issue.
This is a complicated transmission to diagnose, I suggest you find a competent transmission shop.
Moab
- 8,035
- 21
- 32



