13

Background

I've had a couple of situations with diesels. One in particular where I swapped a Ford F350 Powerstroke 7.8 transmission. When I was done. The truck wouldn't start. It was a painful troubleshooting situation for me because of my diesel ignorance. It turned out that the fuel lines needed to be bled.

It made no real sense to me but it was the solution. The fact that air was in the system at all didn't make sense to me.

My Question

Why do diesel fuel lines have to be bled?

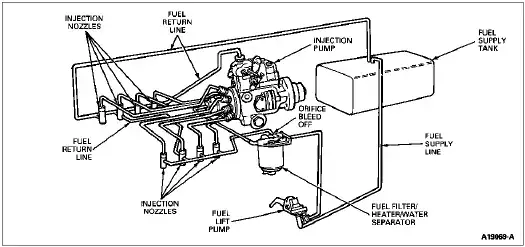
Here's a generic diesel fuel system image

enter image description here

DucatiKiller
  • 32,976
  • 22
  • 150
  • 267

2 Answers2

3

If you have changed major parts of the engine/transmission, you have almost certainly introduced air into the fuel lines or injection system. This will prevent fuel getting to the engine as the fuel injection becomes "airbound" - ie it can no longer pump the diesel through.

Bleeding the fuel lines is as simple as starting from the tank and using the fuel pump (either electric or mechanical) be sure you have pumped fuel all the way through the lines to the injectors so there is no air left in the lines.

Some systems have a series of bleed valves along the way, some only have one, but you need to allow air to escape each one until diesel starts to escape, then you close the valve.

Rory Alsop
  • 18,600
  • 7
  • 60
  • 100
2

Not all Diesels are the same.

My former car, a 1994 VW Passat 1.9 TDI had only one fuel pump in the engine bay. This pump was responsible for several things:

  • bring fuel from the fuel tank
  • raise the pressure to the injection pressure (approximately 600 bar)
  • distribute pressured fuel to each injector in the correct order

There was no electric pump to "push", it was just the main pump which had to "suck" fuel from the tank and sucking is worse (in terms of efficiency) than pushing (no pun intended). Therefore whenever I had to change the fuel filter I had to carefully fill it up with fuel before installing it.

Newer Diesels (be it common-rail or unit-injector system) usually have at least one electric fuel pump (my current common-rail TDI has two electric pumps and a mechanical high pressure pump) which aid this task a lot more.

But still they don't fix things completely. They still need to be activated using a diagnostic tool (for VW, TDIs there's a VCDS software pack along with an OBD-2 interface which can be used to prime the whole circuit).

Either way, even if the pump is activated shortly using the ignition, this won't be enough to fill an empty fuel filter, or even push out a lot of air in the circuit. You will need to activate them using the diagnostic tool, or, some might connect them directly to a 12 V battery (I don't recommend).

The reasons for this necessity stand in a few things:

  • Diesel fuel is a bit "thicker" than gasoline
  • The fuel filter is larger and having it emptied requires more effort to refill
  • The high pressure pump is usually lubricated with the Diesel fuel itself and it is much more sensitive to lack of lubrication (i.e. running dry)
Andrei Rînea
  • 1,006
  • 1
  • 10
  • 19